Пн-Пт: с 10:00 до 19:00
Сб-Вс: выходной
г. Москва,
Коровинское шоссе, д.1А
Корзина 0 Товаров
Интернет-магазин мотозапчастей

Оригинальные запчасти для мотоциклов Yamaha 2000 TW200MC/TW200M


Цепь механизма газораспределения

Фара

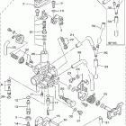
Карбюратор

Впускная система

Сцепление

ПРИБОРЫ

Обтекатель 1

МАСЛЯНЫЙ НАСОС

Картер

Бугель (задний рычаг)

Крышка картера двигателя

Задняя подвеска

Коленчатый вал и Поршень

Заднее колесо

Цилиндр

Сидение

ГОЛОВКА ЦИЛИНДРА

Копирный вал

Электрика 1

Вал переключения

Выхлопная система

БОКОВАЯ КРЫШКА

Крыло

Подножки

Поворотники

Стартер

Рама

ПУСКОВОЙ ЭЛЕКТРОДВИГАТЕЛЬ

Передняя вилка

Рулевое управление

Переднее колесо

Троса

ТОПЛИВНЫЙ БАК

Задний фонарь

Генератор

ТРАНСМИССИЯ

Рулевые переключатели

Клапана
 
Бесплатная консультация по подбору запчастей!

Поможем подобрать

  • Комплектующие
  • Аналоги
  • Вариант доставки
Бесплатный подбор запчастей
Бесплатный подбор запчастей Наши консультанты помогут подобрать оригинальную запчасть или аналог, подберут вариант доставки
Самые выгодные цены
Самые выгодные цены Мы официальные дилеры производителей и можем поддерживать низкие цены
Гигантский ассортимент
Гигантский ассортимент Если Вы не нашли интересующую Вас деталь, позвоните - мы привезем ее на заказ!
Гарантия, удобный возврат
Гарантия, удобный возврат На все запчасти действует гарантия производителя. Возврат в течение 14 дней
14
лет
на рынке
10356
проданных
запчастей в месяц
19
брендов
партнеров
16500
товаров
в магазине