Пн-Пт: с 10:00 до 19:00
Сб-Вс: выходной
г. Москва,
Коровинское шоссе, д.1А
Корзина 0 Товаров
Интернет-магазин мотозапчастей

Запчасти для снегоходов Polaris 1993 EURO TRAIL DELUXE - E930262


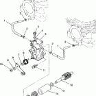
Blower housing & recoil starter assembly trail / 0930761 and trail deluxe

Fuel pump trail / 0930761

Brake and chaincase european 440,400 sks,500 efi, efi sks,rxl sks,sport,tr

Hitch assembly european 440,440 sks,500 efi,efi sks, rxl sks,sport,trail,xl

Carburetor assembly trail / 0930761 and trail deluxe / 0930243

Капот

Clutch guard / reflector assembly european 440,440 sks,500 efi,efi sks,lite

Капот

Console trail / 0930761 and trail deluxe / 0930243

Hood assembly trail / 0930761 and trail deluxe / 0930243

Crankcase assembly trail / 0930761 and trail deluxe / 0930243

Magneto assembly trail / 0930761 and trail deluxe / 0930243

Cylinder assembly trail deluxe / 0930243

Master cylinder assembly european 440,440 sks,5oo efi,efi sks, rxl,rxl sks,

Cylinder assembly trail / 0930761

Nosepan trail / 0930761 and trail deluxe / 0930243

Drive clutch assembly trail / 0930761

Oil pump assembly trail / 0930761 and trail deluxe / 0930243

Drive clutch assembly trail deluxe / 0930243

Oil tank / air box assembly trail / 0930761 and trail deluxe / 0930243

Drive train assembly trail / 0930761 and trail deluxe / 0930243

Rear torque arm assembly trail / 0930761 and trail deluxe / 0930243

Driven clutch assembly trail deluxe / 0930243

Seat and gas tank assembly trail / 0930761 and trail deluxe / 0930243

Driven clutch assembly trail / 0930761

Управление

Engine mounting trail / 0930761 and trail deluxe / 0930243

Steering assembly trail / 0930761 and trail deluxe / 0930243

Exhaust system trail deluxe / 0930243

Suspension assembly trail deluxe / 0930243

Exhaust system trail / 0930761

Suspension assembly trail / 0930761

Front suspension and ski trail / 0930761 and trail deluxe / 0930243

Trail deluxe / 0930243

Front torque arm assembly trail / 0930761 and trail deluxe / 0930243

Tunnel assembly trail deluxe / 0930243

Fuel pump trail deluxe / 0930243

Tunnel assembly trail / 0930761
 
Бесплатная консультация по подбору запчастей!

Поможем подобрать

  • Комплектующие
  • Аналоги
  • Вариант доставки
Бесплатный подбор запчастей
Бесплатный подбор запчастей Наши консультанты помогут подобрать оригинальную запчасть или аналог, подберут вариант доставки
Самые выгодные цены
Самые выгодные цены Мы официальные дилеры производителей и можем поддерживать низкие цены
Гигантский ассортимент
Гигантский ассортимент Если Вы не нашли интересующую Вас деталь, позвоните - мы привезем ее на заказ!
Гарантия, удобный возврат
Гарантия, удобный возврат На все запчасти действует гарантия производителя. Возврат в течение 14 дней
14
лет
на рынке
10356
проданных
запчастей в месяц
19
брендов
партнеров
16500
товаров
в магазине