Пн-Пт: с 10:00 до 19:00
Сб-Вс: выходной
г. Москва,
Коровинское шоссе, д.1А
Корзина 0 Товаров
Интернет-магазин мотозапчастей

Запчасти для квадроциклов ATV Stels Все года HiSun ATV 500 H


РАМА

Облицовка корпуса, передняя часть

Облицовка корпуса, задняя часть

Опоры для ног

Сиденье

Бампер и багажники

Облицовка топливного бака

ТОПЛИВНЫЙ БАК

Механизм переключения передач

Фильтр воздушный

Выхлопная система

Клапан рециркуляции

Система охлаждения

Вентиляция вариатора

Тормозная система (Emark)

Тормозная система (ножной тормоз)

Тормозной диск (передний тормоз)

Тормозной диск (задний тормоз)

Детали руля, правая сторона

Детали руля, левая сторона

Рулевая колонка

Передняя подвеска

Задняя подвеска

Стабилизатор поперечной устойчивости

Колесо

Привода передних колес

Привода задних колес

Редуктор передний

Редуктор задний

Освещение (переднее)

Фонарь указателя поворотов (передний)

Фонарь указателя поворотов (задний)

Освещение (заднее)

Панель приборная

Электрооборудование

Наклейки

Двигатель 500 с.с.

ГОЛОВКА ЦИЛИНДРА

Клапана

Цилиндр

ГРМ

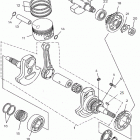
Коленвал, поршень

Картер

Крышка вариатора, двигателя

ТРАНСМИССИЯ

ТРАНСМИССИЯ

Главная передача

Сцепление

МАСЛЯНЫЙ НАСОС

ВОДЯНОЙ НАСОС

Магнето

Стартер, обгонная муфта

Ручной стартер

Карбюратор
Бесплатная консультация по подбору запчастей!

Поможем подобрать

  • Комплектующие
  • Аналоги
  • Вариант доставки
Бесплатный подбор запчастей
Бесплатный подбор запчастей Наши консультанты помогут подобрать оригинальную запчасть или аналог, подберут вариант доставки
Самые выгодные цены
Самые выгодные цены Мы официальные дилеры производителей и можем поддерживать низкие цены
Гигантский ассортимент
Гигантский ассортимент Если Вы не нашли интересующую Вас деталь, позвоните - мы привезем ее на заказ!
Гарантия, удобный возврат
Гарантия, удобный возврат На все запчасти действует гарантия производителя. Возврат в течение 14 дней
14
лет
на рынке
10356
проданных
запчастей в месяц
19
брендов
партнеров
16500
товаров
в магазине