Пн-Пт: с 10:00 до 19:00
Сб-Вс: выходной
г. Москва,
Коровинское шоссе, д.1А
Корзина 0 Товаров
Интернет-магазин мотозапчастей

Каталог оригинальных запчастей для лодочных моторов Evinrude 1986 E120TXCDC


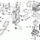
Carburetor and linkage

ВПУСКНОЙ КОЛЛЕКТОР

Коленчатый вал & Поршень

Нижний кожух двигателя

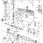
Цилиндр & Картер

Струбцина

Electric starter american bosch sm47309

Paint chart

Капот

Power trim / tilt electrical

Капот

Гидроподъем

ТОПЛИВНЫЙ БАК

МАШИНКА ДИСТАНЦИОННОЕ УПРАВЛЕНИЕ

Редуктор

Рулевая тяга

Система зажигания

Vro oil tank kit-1.8 gallon

Vro pump
 
Бесплатная консультация по подбору запчастей!

Поможем подобрать

  • Комплектующие
  • Аналоги
  • Вариант доставки
Бесплатный подбор запчастей
Бесплатный подбор запчастей Наши консультанты помогут подобрать оригинальную запчасть или аналог, подберут вариант доставки
Самые выгодные цены
Самые выгодные цены Мы официальные дилеры производителей и можем поддерживать низкие цены
Гигантский ассортимент
Гигантский ассортимент Если Вы не нашли интересующую Вас деталь, позвоните - мы привезем ее на заказ!
Гарантия, удобный возврат
Гарантия, удобный возврат На все запчасти действует гарантия производителя. Возврат в течение 14 дней
14
лет
на рынке
10356
проданных
запчастей в месяц
19
брендов
партнеров
16500
товаров
в магазине