Пн-Пт: с 10:00 до 19:00
Сб-Вс: выходной
г. Москва,
Коровинское шоссе, д.1А
Корзина 0 Товаров
Интернет-магазин мотозапчастей

Каталог оригинальных запчастей для лодочных моторов Force 1995 H040412RD


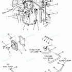
Adaptor Plate - Upper

Нижняя часть колпака

Carburetor - 40 H.p.

Carburetor - 50 H.p.

КРОНШТЕЙН КРЕПЛЕНИЯ К ТРАНЦУ

Коленвал и поршни

БЛОК ЦИЛИНДРОВ

Корпус вертикального вала

Электрика

Топливный насос

Fuel Tank And Line (plastic - 6.6 Gallon)

Gear Housing (driveshaft)

Корпус редуктора , гребной вал

Ignition Componenets

Miscellaneous Engine Parts

Power Trim Assembly

Крепление механизма гидроподъема Power Trim

Recirculaton And Prime System

Reed Plate And Adapter Flange

Shift Throttle Linkage

Стартер

ПОВОРОТНЫЙ КРОНШТЕЙН

Swivel Tube

Tools - Special

Верхняя часть колпака
 
Бесплатная консультация по подбору запчастей!

Поможем подобрать

  • Комплектующие
  • Аналоги
  • Вариант доставки
Бесплатный подбор запчастей
Бесплатный подбор запчастей Наши консультанты помогут подобрать оригинальную запчасть или аналог, подберут вариант доставки
Самые выгодные цены
Самые выгодные цены Мы официальные дилеры производителей и можем поддерживать низкие цены
Гигантский ассортимент
Гигантский ассортимент Если Вы не нашли интересующую Вас деталь, позвоните - мы привезем ее на заказ!
Гарантия, удобный возврат
Гарантия, удобный возврат На все запчасти действует гарантия производителя. Возврат в течение 14 дней
14
лет
на рынке
10356
проданных
запчастей в месяц
19
брендов
партнеров
16500
товаров
в магазине