Пн-Пт: с 10:00 до 19:00
Сб-Вс: выходной
г. Москва,
Коровинское шоссе, д.1А
Корзина 0 Товаров
Интернет-магазин мотозапчастей

Каталог оригинальных запчастей для лодочных моторов Mariner Все 80 7162528 THRU 7208572


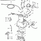
Bottom cowl and shift linkage

Hydraulic pump assembly (metal reservoir)

Карбюратор

Hydraulic pump assembly (plastic reservoir)

Приводная штанга карбюратора

Power trim components (with circuit breaker and fuse)

Cowling and front cover

Power trim components (without circuit breaker and fuse)

Коленчатый вал,поршнь и шатун

Power trim cylinder repair kits (casting #78439)

Блок цилиндров

Power trim cylinder repair kits (no casting #)

Корпус редуктора, вертикальный вал

Starter motor and wiring harness

End caps, manifold and exhaust cover

Starter motor assembly (bosch)

Exhaust extension plate

Starter motor assembly (prestolite)

Маховик, статор и катушки зажигания

Поворотный кронштейн в сборе

Fuel pump and fuel lines

Throttle lever and spark advance lever

Корпус редуктора, вертикальный вал

Капот

Корпус редуктора , гребной вал

Кронштейн крепления к транцу

Trim cylinders and hydraulic hoses
 
Бесплатная консультация по подбору запчастей!

Поможем подобрать

  • Комплектующие
  • Аналоги
  • Вариант доставки
Бесплатный подбор запчастей
Бесплатный подбор запчастей Наши консультанты помогут подобрать оригинальную запчасть или аналог, подберут вариант доставки
Самые выгодные цены
Самые выгодные цены Мы официальные дилеры производителей и можем поддерживать низкие цены
Гигантский ассортимент
Гигантский ассортимент Если Вы не нашли интересующую Вас деталь, позвоните - мы привезем ее на заказ!
Гарантия, удобный возврат
Гарантия, удобный возврат На все запчасти действует гарантия производителя. Возврат в течение 14 дней
14
лет
на рынке
10356
проданных
запчастей в месяц
19
брендов
партнеров
16500
товаров
в магазине