Пн-Пт: с 10:00 до 19:00
Сб-Вс: выходной
г. Москва,
Коровинское шоссе, д.1А
Корзина 0 Товаров
Интернет-магазин мотозапчастей

Каталог оригинальных запчастей для лодочных моторов Mariner Все 60 (3 CYL.) 6428681 THRU 0B122929


Auto-blend

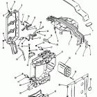
Корпус редуктора, вертикальный вал

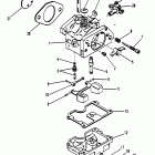
Карбюратор

Корпус редуктора , гребной вал

Carburetor linkage and choke solenoid

Hydraulic pump assembly (plastic reservoir)

Кронштейн крепления двигателя в сборе

Компоненты механизма гидроподъема Power Trim

Cowl support brackets

Power trim cylinder repair kits

Cowling and front cover

Shift linkage and exhaust plate

Коленчатый вал, поршни и шатуны

Starter motor assembly (bosch)

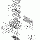
Блок цилиндров

Starter motor assembly (prestolite)

Корпус редуктора, вертикальный вал

Starter motor, starter solenoid, rectifier

Exhaust and manifold covers

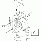
Swivel bracket and reverse lock

Flywheel, switch box, ignition coil, stator

Throttle control linkage and spark advance

Fuel pump, fuel filter and fuel lines

Trim cylinders and hydraulic hoses
Бесплатная консультация по подбору запчастей!

Поможем подобрать

  • Комплектующие
  • Аналоги
  • Вариант доставки
Бесплатный подбор запчастей
Бесплатный подбор запчастей Наши консультанты помогут подобрать оригинальную запчасть или аналог, подберут вариант доставки
Самые выгодные цены
Самые выгодные цены Мы официальные дилеры производителей и можем поддерживать низкие цены
Гигантский ассортимент
Гигантский ассортимент Если Вы не нашли интересующую Вас деталь, позвоните - мы привезем ее на заказ!
Гарантия, удобный возврат
Гарантия, удобный возврат На все запчасти действует гарантия производителя. Возврат в течение 14 дней
14
лет
на рынке
10356
проданных
запчастей в месяц
19
брендов
партнеров
16500
товаров
в магазине