Пн-Пт: с 10:00 до 19:00
Сб-Вс: выходной
г. Москва,
Коровинское шоссе, д.1А
Корзина 0 Товаров
Интернет-магазин мотозапчастей

Каталог оригинальных запчастей для лодочных моторов Mariner Все 50MH 0N056165 & Up


Аксессуары

Manual tilt

Компоненты впрыска масла

Воздушный глушитель

Механизм гидроподъема Power Trim

Нижняя часть колпака

Компоненты механизма гидроподъема Power Trim

Карбюратор

ПУСКОВОЙ МЕХАНИЗМ

Коленчатый вал, поршни и шатуны

Дистанионное управление- компоненты

БЛОК ЦИЛИНДРОВ

Корпус вертикального вала

Shift components

Электрика

Стартер

Electrical components(electric models)

Steering drag link components

Маховик

Румпель

Fuel line

Дросель

Топливный бак (пластик-6,6 галлона)

Инструмент

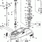
Корпус редуктора, вертикальный вал

Верхняя часть колпака

Корпус редуктора, вал гребного винта

Transom and swivel brackets(manual)

Inlet manifold and reed block

Transom and swivel brackets(power trim)
Бесплатная консультация по подбору запчастей!

Поможем подобрать

  • Комплектующие
  • Аналоги
  • Вариант доставки
Бесплатный подбор запчастей
Бесплатный подбор запчастей Наши консультанты помогут подобрать оригинальную запчасть или аналог, подберут вариант доставки
Самые выгодные цены
Самые выгодные цены Мы официальные дилеры производителей и можем поддерживать низкие цены
Гигантский ассортимент
Гигантский ассортимент Если Вы не нашли интересующую Вас деталь, позвоните - мы привезем ее на заказ!
Гарантия, удобный возврат
Гарантия, удобный возврат На все запчасти действует гарантия производителя. Возврат в течение 14 дней
14
лет
на рынке
10356
проданных
запчастей в месяц
19
брендов
партнеров
16500
товаров
в магазине