Пн-Пт: с 10:00 до 19:00
Сб-Вс: выходной
г. Москва,
Коровинское шоссе, д.1А
Корзина 0 Товаров
Интернет-магазин мотозапчастей

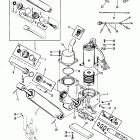
Каталог оригинальных запчастей для лодочных моторов Mariner Все 45 (4 CYL.) 0B110789 & Up


Auto-blend

Корпус редуктора , гребной вал

Bottom cowl and support brackets

Hydraulic pump assembly(electric handle)

Карбюратор

Mounting hardware(electric handle)

Carburetor linkage / choke solenoid

Ong swivel bracket and reverse lock(non power trim)

Clamp bracket assembly(non power trim)

Компоненты механизма гидроподъема Power Trim

Обтекатели

Power trim components(electric handle)

Коленчатый вал и поршни

Power trim cylinder repair kits(electric handle)

Блок цилиндров

Power trim pump(eaton rectangular motor)

Корпус приводного вала

Стартер

Электрика

Starter rewind

End caps and exhaust cover

Ручка рулевого управления в сборе

Exhaust plate and shift linkage

Поворотный кронштейн и рычаг рулевого управления

Flywheel, ignition coil and switch box

Рычаг дросселя и приводная штанга

ТОПЛИВНЫЙ НАСОС

Transom bracket(power trim)

Корпус редуктора, вертикальный вал

Trim cylinders and hoses(electric handle)
Бесплатная консультация по подбору запчастей!

Поможем подобрать

  • Комплектующие
  • Аналоги
  • Вариант доставки
Бесплатный подбор запчастей
Бесплатный подбор запчастей Наши консультанты помогут подобрать оригинальную запчасть или аналог, подберут вариант доставки
Самые выгодные цены
Самые выгодные цены Мы официальные дилеры производителей и можем поддерживать низкие цены
Гигантский ассортимент
Гигантский ассортимент Если Вы не нашли интересующую Вас деталь, позвоните - мы привезем ее на заказ!
Гарантия, удобный возврат
Гарантия, удобный возврат На все запчасти действует гарантия производителя. Возврат в течение 14 дней
14
лет
на рынке
10356
проданных
запчастей в месяц
19
брендов
партнеров
16500
товаров
в магазине