Пн-Пт: с 10:00 до 19:00
Сб-Вс: выходной
г. Москва,
Коровинское шоссе, д.1А
Корзина 0 Товаров
Интернет-магазин мотозапчастей

Каталог оригинальных запчастей для лодочных моторов Mariner Все 225 VERADO (4-STROKE)(6 CYL.) 1B381712 THRU 1B517433


Adaptor plate hose routings

Корпус редуктора, вал гребного винта - стандарт.вращение

Adaptor plate-lower

Induction components

Генератор и натяжитель ремня

Таблица смазок

Охладитель и впускной коллектор

Комплект защиты от коррозии Mercathode

Charge cooler / intake manifold hose routings

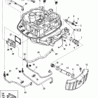
Mount cradle

Cowl latching

Масляный насос и верхняя пластина переходника

Коленчатый вал, поршни и шатуны

Компоненты левой стороны блока цилиндров

БЛОК ЦИЛИНДРОВ

Компоненты механизма гидроподъема Power Trim

Головка цилиндров и распредвал

Power trim / steering cylinder

Корпус вертикального вала

Задний обтекатель

Electrical box components

Starboard cylinder block / oil cooler

Fuel supply module

Стартер

Корпус редуктора, вертикальный вал

Компрессор наддува

Корпус редуктора, вал гребного винта - обратное вращение

Верхняя часть колпака

Upper shift components
 
Бесплатная консультация по подбору запчастей!

Поможем подобрать

  • Комплектующие
  • Аналоги
  • Вариант доставки
Бесплатный подбор запчастей
Бесплатный подбор запчастей Наши консультанты помогут подобрать оригинальную запчасть или аналог, подберут вариант доставки
Самые выгодные цены
Самые выгодные цены Мы официальные дилеры производителей и можем поддерживать низкие цены
Гигантский ассортимент
Гигантский ассортимент Если Вы не нашли интересующую Вас деталь, позвоните - мы привезем ее на заказ!
Гарантия, удобный возврат
Гарантия, удобный возврат На все запчасти действует гарантия производителя. Возврат в течение 14 дней
14
лет
на рынке
10356
проданных
запчастей в месяц
19
брендов
партнеров
16500
товаров
в магазине