Пн-Пт: с 10:00 до 19:00
Сб-Вс: выходной
г. Москва,
Коровинское шоссе, д.1А
Корзина 0 Товаров
Интернет-магазин мотозапчастей

Каталог оригинальных запчастей для лодочных моторов Mariner Все 115 EFI (4-STROKE) 1B227000 THRU 1B366822


Нижняя часть колпака

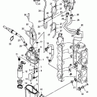
Впускная система

Коленчатый вал, поршни и шатуны

Intake and exhaust valves

БЛОК ЦИЛИНДРОВ

Впускной глушитель

ГОЛОВКА ЦИЛИНДРА

МАСЛЯНЫЙ НАСОС

Корпус вертикального вала

Компоненты механизма гидроподъема Power Trim

Электрика

Датчики

Выпускная плита

Стартер

Маховик

Steering handle kit

Впрыск топлива, сопло

Компоненты комплекта ручки рулевого управления

Впрыск топлива, Насос

Поворотный кронштейн и рычаг рулевого управления

ТОПЛИВНЫЙ НАСОС

Рычаг дросселя и приводная штанга

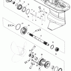
Gear housing(driveshaft)(2.07:1gear ratio)

Tools 1

Gear housing, propeller shaft - 2.07:1 gear ratio

Tools 2

Зажигание

Верхняя часть колпака

Кронштейн крепления к транцу
 
Бесплатная консультация по подбору запчастей!

Поможем подобрать

  • Комплектующие
  • Аналоги
  • Вариант доставки
Бесплатный подбор запчастей
Бесплатный подбор запчастей Наши консультанты помогут подобрать оригинальную запчасть или аналог, подберут вариант доставки
Самые выгодные цены
Самые выгодные цены Мы официальные дилеры производителей и можем поддерживать низкие цены
Гигантский ассортимент
Гигантский ассортимент Если Вы не нашли интересующую Вас деталь, позвоните - мы привезем ее на заказ!
Гарантия, удобный возврат
Гарантия, удобный возврат На все запчасти действует гарантия производителя. Возврат в течение 14 дней
14
лет
на рынке
10356
проданных
запчастей в месяц
19
брендов
партнеров
16500
товаров
в магазине