Пн-Пт: с 10:00 до 19:00
Сб-Вс: выходной
г. Москва,
Коровинское шоссе, д.1А
Корзина 0 Товаров
Интернет-магазин мотозапчастей

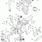
Каталог оригинальных запчастей для лодочных моторов Evinrude 1994 E90MLERC


Карбюратор

ВПУСКНОЙ КОЛЛЕКТОР

Коленчатый вал & Поршень

Водомет

Цилиндр & Картер

Literature

Электрический стартер

Нижний кожух двигателя

Капот-Evinrude

Oil tank kit - 1.8 gallon

Капот - Johnson

Цвет покраски

Кожух Выхлопа

Power trim / tilt electrical

Fuel pump - 88 models

Гидроподъем

Fuel pump - 90 / 100 / 115 models

Steering link kit (w / o power trim & tilt)

Редуктор

Steering link kit (w / power trim & tilt)

Система зажигания

Stern bracket - manual tilt models

Stern bracket - power trim / tilt
 
Бесплатная консультация по подбору запчастей!

Поможем подобрать

  • Комплектующие
  • Аналоги
  • Вариант доставки
Бесплатный подбор запчастей
Бесплатный подбор запчастей Наши консультанты помогут подобрать оригинальную запчасть или аналог, подберут вариант доставки
Самые выгодные цены
Самые выгодные цены Мы официальные дилеры производителей и можем поддерживать низкие цены
Гигантский ассортимент
Гигантский ассортимент Если Вы не нашли интересующую Вас деталь, позвоните - мы привезем ее на заказ!
Гарантия, удобный возврат
Гарантия, удобный возврат На все запчасти действует гарантия производителя. Возврат в течение 14 дней
14
лет
на рынке
10356
проданных
запчастей в месяц
19
брендов
партнеров
16500
товаров
в магазине