Пн-Пт: с 10:00 до 19:00
Сб-Вс: выходной
г. Москва,
Коровинское шоссе, д.1А
Корзина 0 Товаров
Интернет-магазин мотозапчастей

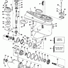
ВПУСКНОЙ КОЛЛЕКТОР для Evinrude 1981 E60ELCIA

Каталог несет в первую очередь справочную информацию, поэтому обращаем ваше внимание, что наличие деталей в каталоге не означает ее наличие на нашем складе.
Все детали поставляются только под заказ. Срок исполнения заказа 12-15 рабочих дней.
№ рис. Деталь Наличие Цена В корзину
1 0395404
( Rope Start Models)
Под заказ --  
1 0322089
Cover Air Silencer ( Electric Start Models)
Под заказ 11'874.06р
2 0306409
Винт
Под заказ 988.02р
3 0335633
Gasket, Reed Box
Под заказ 1'780.02р
6 0306474
Винт
Под заказ 2'176.02р
7 0389823
 
Под заказ 21'609.72р
8 0316134
Screw ( Rope Start Models)
Под заказ 805.86р
9 0321497
Gasket, Air Box
Под заказ 790.02р
10 0330698
Gasket, Cvr-air Box ( Rope Start Models)
Под заказ 1'780.02р
10 0320679
Gasket, Air Box Cvr ( Electric Start Models)
Под заказ 2'219.58р
11 0329888
Link
Под заказ 1'186.02р
12 0327794
Винт
Под заказ 1'780.02р
13 0306547
Шайба
Под заказ 247.50р
14 0316074
Plug ( Rope Start Models)
Под заказ 988.02р
14 0320978
Plug Cover ( Electric Start Models)
Под заказ 199.98р
15 0436662
Bracket&plug Ay ( Rope Start Models)
Под заказ 27'272.52р
16 0313329
Седло
Под заказ 1'384.02р
17 0303686
Screw ( Electric Start Models)
Под заказ 629.64р
18 0316073
Link Choke ( Electric Start Models)
Под заказ 1'782.00р
19 0320276
Anchor Block ( Electric Start Models)
Под заказ 4'944.06р
20 0319967
Retainer Trunnion ( Electric Start Models)
Под заказ 2'017.62р
21 0320731
Grommet Choke Knob
Под заказ 1'582.02р
22 0310539
Screw ( Electric Start Models)
Под заказ 792.00р
23 0316036
Clamp ( Electric Start Models)
Под заказ 247.50р
24 0396884
M-fold Ay ( Rope Start Models)
Под заказ 9'900.00р
24 0391780
Intake M-fold ( Electric Start Models)
Под заказ 25'740.00р
25 0314497
Шпилька
Под заказ 988.02р
26 0325659
Ниппель
Под заказ 1'613.70р
27 0318974
Fastener ( Electric Start Models)
Под заказ 792.00р
28 0322088
( Electric Start Models)
Под заказ --  
28 0395404
( Rope Start Models)
Под заказ --  
29 0313117
Screw ( Electric Start Models)
Под заказ 199.98р
30 0325092
Gasket 5pk
Под заказ 394.02р
31 0316355
Гайка
Под заказ 790.02р
32 0314576
Screw ( Rope Start Models)
Под заказ 401.94р
32 0334884
Screw ( Electric Start Models)
Под заказ 805.86р
33 0327768
Screw ( Rope Start Models)
Под заказ 2'572.02р
34 0302812
Винт
Под заказ 594.00р
35 0313117
Винт
Под заказ 199.98р
37 0310441
J-clamp ( Electric Start Models)
Под заказ 314.82р
38 0316075
Spring Choke ( Electric Start Models)
Под заказ 3'029.40р
39 0324094
( Electric Start Models)
Под заказ --  
40 0581929
( Electric Start Models)
Под заказ --  
41 0510780
Term. 40724 ( Electric Start Models)
Под заказ 199.98р
42 0510818
Term. 61867-2 ( Electric Start Models)
Под заказ 199.98р
43 0510781
Sleeve ( Electric Start Models)
Под заказ 199.98р
44 0324397
Spring ( Electric Start Models)
Под заказ 1'188.00р
45 0307529
O-ring ( Electric Start Models)
Под заказ 592.02р
46 0326136
Grommet ( Rope Start Models)
Под заказ 988.02р
47 0306418
Винт
Под заказ 1'209.78р
48 0328724
Screw ( Electric Start Models)
Под заказ 1'613.70р
49 0306488
Washer ( Electric Start Models)
Под заказ 495.00р
50 0321071
Рычаг
Под заказ 1'584.00р
51 0314807
( Electric Start Models)
Под заказ --  
52 0317893
Tie Strap 100pk ( Rope Start Models)
Под заказ 37.62р
53 0316039
Retainer ( Rope Start Models)
Под заказ 617.76р
54 0331249
Washer ( Rope Start Models)
Под заказ 988.02р
55 0310441
J-clamp ( Rope Start Models)
Под заказ 314.82р
56 0396544
Checkvalve ( Rope Start Models)
Под заказ 5'720.22р
57 0772568
Hose 1/16 ( Rope Start Models)
Под заказ 512.82р
58 0772568
Hose 1/16 ( Rope Start Models)
Под заказ 512.82р
59 0398793
Primer Pump Ay ( Rope Start Models)
Под заказ 17'170.56р
60 0331365
O-ring ( Rope Start Models)
Под заказ 988.02р
61 0327970
Check Valve ( Rope Start Models)
Под заказ 2'643.30р
62 0326333
Retainer ( Rope Start Models)
Под заказ 259.38р
63 0326334
Washer ( Rope Start Models)
Под заказ 790.02р
64 0393935
See Pricebook ( Rope Start Models)
Под заказ 6'534.00р
65 0333540
Spring ( Rope Start Models)
Под заказ 988.02р
66 0398871
End Cap&o-ring Kit ( Rope Start Models)
Под заказ 1'782.00р
67 0326338
Retainer ( Rope Start Models)
Под заказ 1'978.02р
68 0331364
Quad Ring ( Rope Start Models)
Под заказ 2'017.62р
69 0909678
O-ring-switch Ay ( Rope Start Models)
Под заказ 1'613.70р
70 0326422
Connector ( Rope Start Models)
Под заказ 2'219.58р
72 0395149
( Rope Start Models)
Под заказ 4'791.60р
73 0909533
Screw-pivot Cap ( Rope Start Models)
Под заказ 790.02р
74 0327043
Detent ( Rope Start Models)
Под заказ 1'148.40р
75 0320107
Tie Strap 100pk ( Rope Start Models)
Под заказ 37.62р
76 0307019
Screw ( Rope Start Models)
Под заказ 601.92р
77 0303630
Washer, Fiber ( Rope Start Models)
Под заказ 512.82р
78 0326952
Nipple ( Rope Start Models)
Под заказ 7'270.56р



Другие

Карбюратор

Коленчатый вал & Поршень

Цилиндр & Картер

Electric starter & solenoid prestolite model mkw-4008

Electric starter american bosch 11229-21-m030sm

Кожух Выхлопа

Топливный насос и фильтр

ТОПЛИВНЫЙ БАК

Gearcase, electric start

Gearcase, rope start

Система зажигания

ВПУСКНОЙ КОЛЛЕКТОР

Motor cover - evinrude

Motor cover - johnson

Paint chart

Power tilt and trim

МАШИНКА ДИСТАНЦИОННОЕ УПРАВЛЕНИЕ

Ручной стартер
Бесплатная консультация по подбору запчастей!

Поможем подобрать

  • Комплектующие
  • Аналоги
  • Вариант доставки
Бесплатный подбор запчастей
Бесплатный подбор запчастей Наши консультанты помогут подобрать оригинальную запчасть или аналог, подберут вариант доставки
Самые выгодные цены
Самые выгодные цены Мы официальные дилеры производителей и можем поддерживать низкие цены
Гигантский ассортимент
Гигантский ассортимент Если Вы не нашли интересующую Вас деталь, позвоните - мы привезем ее на заказ!
Гарантия, удобный возврат
Гарантия, удобный возврат На все запчасти действует гарантия производителя. Возврат в течение 14 дней
14
лет
на рынке
10356
проданных
запчастей в месяц
19
брендов
партнеров
16500
товаров
в магазине