Пн-Пт: с 10:00 до 19:00
Сб-Вс: выходной
г. Москва,
Коровинское шоссе, д.1А
Корзина 0 Товаров
Интернет-магазин мотозапчастей

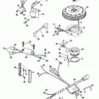
Steering bolt and clevis assembly kit для Evinrude 1983 E75ERCTE

Каталог несет в первую очередь справочную информацию, поэтому обращаем ваше внимание, что наличие деталей в каталоге не означает ее наличие на нашем складе.
Все детали поставляются только под заказ. Срок исполнения заказа 12-15 рабочих дней.
№ рис. Деталь Наличие Цена В корзину
1 0122840
Nut Pivot
Под заказ 1'209.78р
2 0122841
Spacer Pivot
Под заказ 2'017.62р
3 0344327
Болт
Под заказ 1'582.02р
4 0315077
Locknut
Под заказ 988.02р
5 0303884
Шайба
Под заказ 805.86р
6 0121414
Винт
Под заказ 1'186.02р
173209 0173209
Strg Bolt&clevis ( Not Shown)
Под заказ 6'864.66р



Другие

Карбюратор

Коленчатый вал & Поршень

Цилиндр & Картер

Electric starter american bosch 17996-29-m030ms

Капот

Engine cover -evinrude

ТОПЛИВНЫЙ НАСОС

ТОПЛИВНЫЙ БАК

Gearcase - 20" transom

Gearcase-15" transom

Система зажигания

ВПУСКНОЙ КОЛЛЕКТОР

Mid-section-15" transom

Mid-section-20" transom

Paint chart

Power trim/tilt

МАШИНКА ДИСТАНЦИОННОЕ УПРАВЛЕНИЕ

Steering bolt and clevis assembly kit

Рулевая тяга
 
Бесплатная консультация по подбору запчастей!

Поможем подобрать

  • Комплектующие
  • Аналоги
  • Вариант доставки
Бесплатный подбор запчастей
Бесплатный подбор запчастей Наши консультанты помогут подобрать оригинальную запчасть или аналог, подберут вариант доставки
Самые выгодные цены
Самые выгодные цены Мы официальные дилеры производителей и можем поддерживать низкие цены
Гигантский ассортимент
Гигантский ассортимент Если Вы не нашли интересующую Вас деталь, позвоните - мы привезем ее на заказ!
Гарантия, удобный возврат
Гарантия, удобный возврат На все запчасти действует гарантия производителя. Возврат в течение 14 дней
14
лет
на рынке
10356
проданных
запчастей в месяц
19
брендов
партнеров
16500
товаров
в магазине