Пн-Пт: с 10:00 до 19:00
Сб-Вс: выходной
г. Москва,
Коровинское шоссе, д.1А
Корзина 0 Товаров
Интернет-магазин мотозапчастей

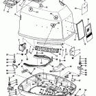
Рулевая тяга для Evinrude 1983 E200TRLCTD

Каталог несет в первую очередь справочную информацию, поэтому обращаем ваше внимание, что наличие деталей в каталоге не означает ее наличие на нашем складе.
Все детали поставляются только под заказ. Срок исполнения заказа 12-15 рабочих дней.
№ рис. Деталь Наличие Цена В корзину
1 0122840
Nut Pivot
Под заказ 1'209.78р
2 0122841
Spacer Pivot
Под заказ 2'017.62р
3 0344327
Болт
Под заказ 1'582.02р
4 0315077
Locknut
Под заказ 988.02р
5 0319453
Шайба
Под заказ 603.90р
6 0173700
Strg Kt Ss 70-235
Под заказ 14'844.06р
173700 0173700
Strg Kt Ss 70-235 ( Not Shown)
Под заказ 14'844.06р



Другие

Карбюратор

Коленчатый вал & Поршень

Цилиндр & Картер

Electric starter & solenoid american bosch 08142-23-m030sm

Electric starter prestolite models mjl-4005

Кожух Выхлопа

ТОПЛИВНЫЙ НАСОС

ТОПЛИВНЫЙ БАК

Редуктор

Система зажигания

ВПУСКНОЙ КОЛЛЕКТОР

Motor cover-evinrude

Motor cover-johnson

Paint chart

Power tilt and trim

МАШИНКА ДИСТАНЦИОННОЕ УПРАВЛЕНИЕ

Рулевая тяга
 
Бесплатная консультация по подбору запчастей!

Поможем подобрать

  • Комплектующие
  • Аналоги
  • Вариант доставки
Бесплатный подбор запчастей
Бесплатный подбор запчастей Наши консультанты помогут подобрать оригинальную запчасть или аналог, подберут вариант доставки
Самые выгодные цены
Самые выгодные цены Мы официальные дилеры производителей и можем поддерживать низкие цены
Гигантский ассортимент
Гигантский ассортимент Если Вы не нашли интересующую Вас деталь, позвоните - мы привезем ее на заказ!
Гарантия, удобный возврат
Гарантия, удобный возврат На все запчасти действует гарантия производителя. Возврат в течение 14 дней
14
лет
на рынке
10356
проданных
запчастей в месяц
19
брендов
партнеров
16500
товаров
в магазине