Пн-Пт: с 10:00 до 19:00
Сб-Вс: выходной
г. Москва,
Коровинское шоссе, д.1А
Корзина 0 Товаров
Интернет-магазин мотозапчастей

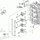
ГОЛОВКА ЦИЛИНДРА для Honda Marine 1997 BF45AM LRA

Каталог несет в первую очередь справочную информацию, поэтому обращаем ваше внимание, что наличие деталей в каталоге не означает ее наличие на нашем складе.
Все детали поставляются только под заказ. Срок исполнения заказа 12-15 рабочих дней.
№ рис. Деталь Наличие Цена В корзину
1 12010-ZV5-010ZA
CYLINDER HEAD ASSY. *NH8* (DARK GRAY)
Под заказ 159'824.01р
2 12205-ZV5-305
GUIDE, VALVE (OS 0.52)
Под заказ --  
2 12205-ZV5-325
GUIDE, VALVE (0.25)
Под заказ 1'998.36р
3 12228-ZV5-004
BOLT-WASHER (10X85)
Под заказ 843.75р
4 12251-ZV5-003
Прокладка
Под заказ 8'689.14р
4 12251-ZV5-000
Прокладка
Под заказ 8'689.14р
5 12310-ZV5-010
Крышка, головки цилиндра
Под заказ 30'730.26р
5 12310-ZV5-000
Крышка, головки цилиндра
Под заказ 30'730.26р
6 12314-ZV5-300
COLLAR, HEAD COVER
Под заказ 754.93р
7 12391-ZV5-010
Прокладка, крышки головки
Под заказ 3'256.58р
7 12391-ZV5-000
Прокладка, крышки головки
Под заказ 4'574.01р
8 14631-ZV5-000
Вал впускного рокера
Под заказ --  
9 14632-ZV5-000
Вал выпускного рокера
Под заказ 7'904.61р
10 15422-ZV5-000
TUBE, OIL
Под заказ 4'189.14р
11 15611-921-000
CAP, OIL (YELLOW)
Под заказ 917.76р
12 16700-ZV5-003
Топливный насос
Под заказ 20'353.62р
12 16700-ZW1-004
Топливный насос
Под заказ 18'710.53р
13 16716-ZV5-000
LIFTER, FUEL PUMP
Под заказ 1'036.18р
14 16861-ZV5-000
TUBE B, FUEL
Под заказ 873.36р
15 90006-ZV5-000
Болт (6X28)
Под заказ --  
16 90018-ZV5-000
Болт (6х70)
Под заказ --  
17 90602-ZV5-013
CLAMP, TUBE (D22)
Под заказ --  
18 90603-ZV4-000
CLIP, TUBE (B10)
Под заказ 236.84р
19 90604-881-000
CLIP, TUBE (B12)
Под заказ --  
19 90604-ZV0-000
CLIP, TUBE (B12)
Под заказ 133.22р
20 90602-ZV3-000
CLAMP, TUBE (D18.8)
Под заказ --  
21 91301-805-000
Кольцо (26X2.7)
Под заказ 340.46р
22 91351-MG7-003
Кольцо (20.8X2.4)
Под заказ 384.87р
23 94301-08140
PIN, DOWEL (8X14)
Под заказ --  
24 94303-06100
Палец (6X10)
Под заказ --  
25 95701-06035-02
Болт с фланцем (8X35)
Под заказ --  
26 95701-08040-02
Болт с фланцем (8X40)
Под заказ --  
27 96001-06020-02
Болт (6X20)
Под заказ --  
28 98069-5771P
Свеча зажигания (DR7EA) (NGK)
Под заказ --  
28 98069-57726
Свеча зажигания (X22ESR-U) (DENSO)
Под заказ --  



Другие

РАСПРЕДВАЛ

Карбюратор

Заряда Катушки Комплект

БЛОК ЦИЛИНДРОВ

ГОЛОВКА ЦИЛИНДРА

Головка цилиндров

Engine Lower Case

Корпус и редуктор

Маховик

ТОПЛИВНЫЙ БАК

Комплект прокладок

Прокладки комплект (блок цилиндров и головка)

КАРТЕР КОРОБКИ ПЕРЕДАЧ

Катушка зажигания

Водяной насос

Впускной трубопровод

Наклейки

Кожух глушителя

МАСЛЯНЫЙ ПОДДОН

МАСЛЯНЫЙ НАСОС

Поршни

Механизм гидроподъема-наклона

Гребной винт

Ремкоплект помпы

МАШИНКА ДИСТАНЦИОННОЕ УПРАВЛЕНИЕ

Кабель дистанционного управления

Блок цилиндров

Спидометр

Стартер

Струбцина

Поворотный кронштейн,рычаг рулевого управления

Ремень ГРМ

Инструмент
 
Бесплатная консультация по подбору запчастей!

Поможем подобрать

  • Комплектующие
  • Аналоги
  • Вариант доставки
Бесплатный подбор запчастей
Бесплатный подбор запчастей Наши консультанты помогут подобрать оригинальную запчасть или аналог, подберут вариант доставки
Самые выгодные цены
Самые выгодные цены Мы официальные дилеры производителей и можем поддерживать низкие цены
Гигантский ассортимент
Гигантский ассортимент Если Вы не нашли интересующую Вас деталь, позвоните - мы привезем ее на заказ!
Гарантия, удобный возврат
Гарантия, удобный возврат На все запчасти действует гарантия производителя. Возврат в течение 14 дней
14
лет
на рынке
10356
проданных
запчастей в месяц
19
брендов
партнеров
16500
товаров
в магазине