Пн-Пт: с 10:00 до 19:00
Сб-Вс: выходной
г. Москва,
Коровинское шоссе, д.1А
Корзина 0 Товаров
Интернет-магазин мотозапчастей

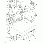
Генератор для Yamaha 2010 ROYAL STAR TOUR DELUXE S XVZ13CTSZ/XVZ13CTSZC

Каталог несет в первую очередь справочную информацию, поэтому обращаем ваше внимание, что наличие деталей в каталоге не означает ее наличие на нашем складе.
Все детали поставляются только под заказ. Срок исполнения заказа 12-15 рабочих дней.
№ рис. Деталь Наличие Цена В корзину
1 4XY-81410-02-00
Статор
Под заказ 70'874.06р
2 4XY-81450-00-00
Ротор
Под заказ 110'083.81р
3 1D6-81670-00-00
Pick-up Assy
Под заказ 17'739.49р
4 98507-06035-00
Винт
Под заказ 737.76р
5 92907-06600-00
Шайба
Под заказ 335.66р
6 98507-06016-00
Винт
Под заказ 312.94р
7 90201-06045-00
Шайба (отпускается по 5 шт)
Под заказ 737.76р
8 4NK-15113-00-00
Пластина
Под заказ 1'148.60р
9 59J-15191-00-00
Крышка
Под заказ 473.78р
10 1FK-15358-00-00
Separator, Oil
Под заказ 10'187.05р
11 1FK-15379-00-00
Прокладка
Под заказ 2'545.45р
12 1FK-15494-00-00
Seal, Protector
Под заказ 2'891.61р
13 98517-06012-00
Винт
Под заказ 375.87р
15 59J-11455-00-00
Ось 1
Под заказ 1'279.72р
14 92907-06600-00
Шайба
Под заказ 335.66р



Другие

Система забора воздуха

Распредвал и цепь ГРМ

Карбюратор

Сцепление

Цвет покраски

Обтекатель 1

Обтекатель 2

Картер

Крышка картера двигателя

Коленчатый вал & Поршень

ГОЛОВКА ЦИЛИНДРА

Ведущий вал

Электрика 1

Электрика 2

Электрика 3

Выхлопная система

Крыло

Поворотники

Рама

Передний тормозной суппорт

Передняя вилка

Главный тормозной цилиндр,передний

Передний торм. цилиндр 2

Переднее колесо

ТОПЛИВНЫЙ БАК

Генератор

Рулевые переключатели

Фара

Впускная система

ПРИБОРЫ

Промежуточный ведущий вал

Маслоочиститель

МАСЛЯНЫЙ НАСОС

Радиатор

Бугель (задний рычаг)

Задний тормозной суппорт

Задний тормозной цилиндр

Задняя подвеска

Заднее колесо

Кофр 1

Кофр 2

Сидение

Вилки переключения передач

Вал переключения

БОКОВАЯ КРЫШКА

Подножки

Муфта стартера

ПУСКОВОЙ ЭЛЕКТРОДВИГАТЕЛЬ

Рулевое управление

Тросы

Задний фонарь

ТРАНСМИССИЯ

Клапана

ВОДЯНОЙ НАСОС
Бесплатная консультация по подбору запчастей!

Поможем подобрать

  • Комплектующие
  • Аналоги
  • Вариант доставки
Бесплатный подбор запчастей
Бесплатный подбор запчастей Наши консультанты помогут подобрать оригинальную запчасть или аналог, подберут вариант доставки
Самые выгодные цены
Самые выгодные цены Мы официальные дилеры производителей и можем поддерживать низкие цены
Гигантский ассортимент
Гигантский ассортимент Если Вы не нашли интересующую Вас деталь, позвоните - мы привезем ее на заказ!
Гарантия, удобный возврат
Гарантия, удобный возврат На все запчасти действует гарантия производителя. Возврат в течение 14 дней
14
лет
на рынке
10356
проданных
запчастей в месяц
19
брендов
партнеров
16500
товаров
в магазине