Пн-Пт: с 10:00 до 19:00
Сб-Вс: выходной
г. Москва,
Коровинское шоссе, д.1А
Корзина 0 Товаров
Интернет-магазин мотозапчастей

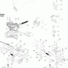
10- electrical system form iii, iii lt для Ski-Doo (Bombardier) 1996 Formula III

Каталог несет в первую очередь справочную информацию, поэтому обращаем ваше внимание, что наличие деталей в каталоге не означает ее наличие на нашем складе.
Все детали поставляются только под заказ. Срок исполнения заказа 12-15 рабочих дней.
№ рис. Деталь Наличие Цена В корзину
3 515175728
Контрольная лампа
Под заказ 2'071.35р
4 515175726
Контрольная лампа
Под заказ 1'997.45р
5 414176000
Хомут открывающийся
Под заказ 295.60р
6 414991700
Заготовка ключа
Под заказ 3'460.21р
7 570013700
Пыльник выключателя
Под заказ 1'386.90р
8 410112100
Гайка лицевая
Под заказ 1'900.26р
9 410113602
Замок зажигания
Под заказ 7'888.77р
10 572150700
Контактная часть замка зажигания
Под заказ 1'391.04р
11 515175253
Электрическая клемма мама
Под заказ 1'025.89р
12 515176463
Capuchon Ass. *cap-assy.
Под заказ 4'189.68р
13 515145900
Ecrou Inter. *nut-switch
Под заказ 1'266.84р
14 570151100
Cap.plongeur *cap-plunger
Под заказ 1'538.84р
15 391302500
Шайба
Под заказ 256.47р
16 515176525
Interruteur *brake Switch
Под заказ 2'583.36р
18 409205600
Зажим
Под заказ 508.60р
19 409003200
Cosse A Anneau *barrel-open
Под заказ 488.69р
20 409209300
Электрическая клемма папа
Под заказ 705.87р
21 515163800
Regu.tension As*regu-volt.assy
Под заказ 7'025.58р
22 409210000
Электрическая клемма папа
Под заказ 708.56р
23 409204500
Электрическая клемма папа
Под заказ 502.78р
24 210263580
Винт
Под заказ 173.86р
25 410107300
Выключатель обогрева рукояток
Под заказ 5'129.46р
26 515175281
Крышка кнопки
Под заказ 2'225.66р
27 414115200
Стяжка 180мм
Под заказ 15.21р
28 515175241
Resistance *resistance
Под заказ 2'560.38р
30 515175338
Спидометр
Под заказ 24'417.83р
31 515175348
Compte-tours *tachometer
Под заказ 33'174.23р
32 517258500
Шайба
Под заказ 769.42р
33 572022300
Corr.vitesse *drive-angle 1994 -
Под заказ 4'189.07р
34 515175910
Porte Ampoule *bulb Holder Includes 34 To 38
Под заказ 1'773.99р
34 410607100
Крышка
Под заказ 2'462.22р
34 410608300
Porte Ampoule *holder-bulb
Под заказ 1'598.04р
34 410609100
Phare *headlamp
Под заказ 31'940.77р
34 515176274
Лампа H4
Под заказ 3'329.80р
36 410608200
Butoir Caout. *bumper-rubber
Под заказ 856.98р
39 572078600
Ecrou De Phare *nut-lamp
Под заказ 769.42р
40 517225900
Шайба
Под заказ 23.91р
41 243244040
Screw-plastite Pan Hd.ph.
Под заказ 192.51р
42 517166000
Пружина
Под заказ 769.42р
43 414806500
Support Boitier*holder-case
Под заказ 1'722.15р
44 414807100
Joint Torique *packing
Под заказ 512.95р
45 414806900
Гайка
Под заказ 129.22р
46 414806700
Шайба
Под заказ 129.22р
48 414761400
Cable Vitesse *cable-speedo
Под заказ 7'245.00р
49 365901100
Винт
Под заказ 256.47р
50 517249300
Support Phare *support-lamp
Под заказ 848.15р
51 410504200
Лампочка спидометра
Под заказ 856.98р
53 409204300
Корпус клеммы -Мама
Под заказ 502.78р
55 414807200
Joint Torique *packing
Под заказ 503.01р
56 517258600
Rondelle Formee*washer
Под заказ 883.89р
57 414806600
Support Boitier*holder-case
Под заказ 1'266.35р
58 391301700
Шайба
Под заказ 23.49р
59 414833700
Washer-lock Gauge
Под заказ 256.47р
60 414833600
Ecrou Gauge *nut-gauge
Под заказ 256.47р
61 409204900
Корпус клеммы -Мама
Под заказ 705.87р
62 415100700
Vis Ajust. Ass.*screw-adjust.a Includes 62 To 63
Под заказ 855.20р
63 732603004
Screw-plastite Hex.48-2 7mm Af
Под заказ 1'426.12р
64 414893000
Feuille Reflect*sheet-reflect.
Под заказ 364.16р
65 517274400
Кронштейн
Под заказ 173.86р
66 517124300
Шайба
Под заказ 26.08р
24 732600016
Винт
Под заказ 173.86р
8 410107800
Гайка лицевая
Под заказ 1'900.26р
34 515175911
Крышка
Под заказ 1'900.71р
35 515176274
Лампа H4
Под заказ 3'329.80р
37 410608300
Porte Ampoule *holder-bulb
Под заказ 1'598.04р
38 515175911
Крышка
Под заказ 1'900.71р
47 517225900
Шайба
Под заказ 23.91р



Другие

01- cooling system form iii

01- crankcase 599

01- crankshaft and pistons 599

01- cylinder and exhaust manifold 599

01- engine and engine support 599

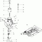
02- carburetor form iii, iii lt

02- fuel system 599

02- oil tank and support form iii, iii lt

03- magneto 599

04- ignition form iii, iii lt

04- rewind starter 599

05- drive pulley form iii

05- drive system form iii

05- driven pulley form iii

05- transmission form iii

06- hydraulic brake form iii, iii lt

07- front suspension and ski form iii

07- steering system form iii, iii lt

08- front arm form iii

08- rear arm form iii

08- rear suspension form iii

09- cab and console form iii, iii lt

09- decals form iii

09- frame and components form iii

09- seat form iii

10- electrical system form iii, iii lt
 
Бесплатная консультация по подбору запчастей!

Поможем подобрать

  • Комплектующие
  • Аналоги
  • Вариант доставки
Бесплатный подбор запчастей
Бесплатный подбор запчастей Наши консультанты помогут подобрать оригинальную запчасть или аналог, подберут вариант доставки
Самые выгодные цены
Самые выгодные цены Мы официальные дилеры производителей и можем поддерживать низкие цены
Гигантский ассортимент
Гигантский ассортимент Если Вы не нашли интересующую Вас деталь, позвоните - мы привезем ее на заказ!
Гарантия, удобный возврат
Гарантия, удобный возврат На все запчасти действует гарантия производителя. Возврат в течение 14 дней
14
лет
на рынке
10356
проданных
запчастей в месяц
19
брендов
партнеров
16500
товаров
в магазине