Пн-Пт: с 10:00 до 19:00
Сб-Вс: выходной
г. Москва,
Коровинское шоссе, д.1А
Корзина 0 Товаров
Интернет-магазин мотозапчастей

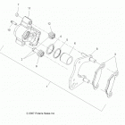
Electrical, tether switch для Polaris 2017 A17SWS57C1/C2 SPORTSMAN 570 X2 EPS TRACTOR

Каталог несет в первую очередь справочную информацию, поэтому обращаем ваше внимание, что наличие деталей в каталоге не означает ее наличие на нашем складе.
Все детали поставляются только под заказ. Срок исполнения заказа 12-15 рабочих дней.
№ рис. Деталь Наличие Цена В корзину
1 4015984
Switch-tether, Trc, 800mm, Prox
Под заказ 8'975.51р
2 4013211
Alarm-brake, Warning
Под заказ 5'893.80р



Другие

Body, box, rear

Крышка картера

Кузов Наклейки

Корпус, передний бампер и крепления

Переднее и занее крыло

Топливный бак

Обтекатель передний фары

Обтекатель передний фары

Body, mirrors

Body, rear box frame and pivot

Body, rear cab and footwells

Body, seat, operator

Body, seat, passenger, back

Body, seat, passenger, bottom

Body, storage, front

Body, tailgate

Body, tailgate brackets

Передний суппорт

Brakes, brake caliper, rear

Brakes, brake pedal and master cylinder

Главный торм. цилиндр

Brakes, front brake lines

Brakes, rear brake lines

Brakes, valve system

Рама

Chassis, hitch

Передний приводной вал

Передний редуктор

Крепление КПП

Кардан передний

Селектор передачи

Картер КПП

Крепеж КПП

Сцепление

Задний привод

Вторичная муфта сцепления

Электрика,АКБ

Лампа фары

Electrical, engine block heater

Панель приборов

Electrical, hand and thumb warmer

Жгут проводов

Головные фары

Electrical, ignition coil, wire and spark plug

Электрика ,датчики и переключатели

Задний сигнал

Electrical, tether switch

Electrical, turn signals, horn and license plate light

Воздушная система

Двигатель, кулачковая цепь и звездочка

Система охлаждения

Картер

Двигатель, коленчатый вал, поршневой и балансировочный вал

Цилиндр двигателя

Двигатель, головка блока цилиндров, кулачки и клапаны

Глушитель

Двигатель длинный блок

Крепление двигателя

Двигатель, масляный фильтр и измерительный щуп

Маслянный насос

Магнетто ,Стартер

Двигатель, крышка статора и маховик

Двигатель,термостат и крышка

Двигатель, корпус дроссельной заслонки и топливная рампа

Двигатель, крышка клапана

Двигатель, крыльчатка водяного насоса и крышка

Reference, owners manual

Трос дросселя

Steering, eps

Управление, руль и средства управления

Подвеска передняя

Передние аммортизаторы

Подвеска задняя

Стабилизатор

Инструмент

Колесо переднее

Колесо переднее

Колесо заднее

Колесо заднее
 
Бесплатная консультация по подбору запчастей!

Поможем подобрать

  • Комплектующие
  • Аналоги
  • Вариант доставки
Бесплатный подбор запчастей
Бесплатный подбор запчастей Наши консультанты помогут подобрать оригинальную запчасть или аналог, подберут вариант доставки
Самые выгодные цены
Самые выгодные цены Мы официальные дилеры производителей и можем поддерживать низкие цены
Гигантский ассортимент
Гигантский ассортимент Если Вы не нашли интересующую Вас деталь, позвоните - мы привезем ее на заказ!
Гарантия, удобный возврат
Гарантия, удобный возврат На все запчасти действует гарантия производителя. Возврат в течение 14 дней
14
лет
на рынке
10356
проданных
запчастей в месяц
19
брендов
партнеров
16500
товаров
в магазине