Пн-Пт: с 10:00 до 19:00
Сб-Вс: выходной
г. Москва,
Коровинское шоссе, д.1А
Корзина 0 Товаров
Интернет-магазин мотозапчастей

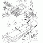
Ручной стартер для Ski-Doo (Bombardier) 2003 Legend SE 800 SDI

Каталог несет в первую очередь справочную информацию, поэтому обращаем ваше внимание, что наличие деталей в каталоге не означает ее наличие на нашем складе.
Все детали поставляются только под заказ. Срок исполнения заказа 12-15 рабочих дней.
№ рис. Деталь Наличие Цена В корзину
1 420810868
Фланец
Под заказ 11'233.20р
2 420241236
Винт M6 X 16
Под заказ 284.97р
3 420892612
Стартер (вкл.3-14)
Под заказ 24'407.60р
4 420910253
Статор
Под заказ 11'233.20р
5 420939115
Возвратная пружина
Под заказ 4'986.98р
6 420852286
Шкив
Под заказ 10'258.92р
7 412500200
Шнур
Под заказ 736.00р
8 420852292
Собачка
Под заказ 3'923.80р
9 420852305
Замок-собачки
Под заказ 2'134.86р
10 420847926
Втулка
Под заказ 1'978.00р
11 420250400
Кольцо
Под заказ 859.74р
12 420852520
Стопорное кольцо
Под заказ 1'127.00р
13 420845560
Блокиратор
В наличии 284.97р
14 420941256
Винт M6x20
Под заказ 301.88р
15 420899763
Смазка -molykote 54
Под заказ 3'987.17р
16 572084400
Ручка стартера
Под заказ 1'913.60р
3 420892615
Стартер (вкл.3-14)
Под заказ 24'407.60р



Другие

Система охлаждения

Картер , водяной и масляный насос

Коленвал и поршни

Цилиндр,впускной коллектор и мощност. клапан

01- engine support, dpm, throttle handle

Глушитель

Система забора воздуха

Топливная система

Масляный бак

Корпус дросселя

03- magneto (12v, 480w)

Стартер электрический

Ручной стартер

05- chaincase and countershaft

Вариатор

Ведомый шкив

Тормоза гидравлические

Передняя подвеска и лыжи

07- handle bar - adjustable

Рулевая система

08- air shock and compressor, grand touring (se-air)

08- air shock and compressor, legend (se-air)

Передний рычаг

Задний рычаг

Задний амортизатор

Задняя подвеска (grand touring)

08- rear suspension (legend)

Защита и бампер

Капот и передняя консоль

09- decals (grand touring)

09- decals (legend)

Рама

Рама

09- hitch (europe)

Багажник задний

Сидение

09- seat (legend)

10- battery, starter and accessories

10- electrical system - console

10- electrical system - hood

10- engine harness, electronic box, ignition coil

10- frame harness, fuse box

Проводка на руле
 
Бесплатная консультация по подбору запчастей!

Поможем подобрать

  • Комплектующие
  • Аналоги
  • Вариант доставки
Бесплатный подбор запчастей
Бесплатный подбор запчастей Наши консультанты помогут подобрать оригинальную запчасть или аналог, подберут вариант доставки
Самые выгодные цены
Самые выгодные цены Мы официальные дилеры производителей и можем поддерживать низкие цены
Гигантский ассортимент
Гигантский ассортимент Если Вы не нашли интересующую Вас деталь, позвоните - мы привезем ее на заказ!
Гарантия, удобный возврат
Гарантия, удобный возврат На все запчасти действует гарантия производителя. Возврат в течение 14 дней
14
лет
на рынке
10356
проданных
запчастей в месяц
19
брендов
партнеров
16500
товаров
в магазине