Пн-Пт: с 10:00 до 19:00
Сб-Вс: выходной
г. Москва,
Коровинское шоссе, д.1А
Корзина 0 Товаров
Интернет-магазин мотозапчастей

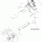
10- frame harness для Ski-Doo (Bombardier) 2004 Summit 800 HO

Каталог несет в первую очередь справочную информацию, поэтому обращаем ваше внимание, что наличие деталей в каталоге не означает ее наличие на нашем складе.
Все детали поставляются только под заказ. Срок исполнения заказа 12-15 рабочих дней.
№ рис. Деталь Наличие Цена В корзину
1 515175989
Cablage Ass. *wiring Harness Includes Items 1 To 900
Под заказ 105'659.99р
34 409010100
Клемма -мама
Под заказ 898.38р
36 409010400
Корпус клеммы -Мама
Под заказ 1'236.48р
42 515175273
Электрическая клемма папа
Под заказ 1'139.88р
44 515175231
Клемма-мама
Под заказ 854.91р
46 515175282
Клемма-mama
Под заказ 1'062.60р
54 515175495
Корпус клеммы -Мама
Под заказ 2'651.67р
57 515175350
Корпус клеммы -Мама
Под заказ 1'688.20р
62 278001014
Электрическая клемма мама
Под заказ 531.30р
68 409209500
Штекер Мама
Под заказ 2'229.05р
73 278001013
Уплотнитель-провода
Под заказ 531.30р
99 278000992
Cosse A Anneau *barrel-open
Под заказ 350.18р
110 278000631
Электрическая клемма папа
Под заказ 854.91р
112 278000632
Электрическая клемма мама
В наличии 350.18р
126 409207500
Электрическая клемма папа
Под заказ 531.30р
127 409207600
Электрическая клемма папа
Под заказ 569.94р
138 293000052
Колпачек
Под заказ 569.94р
172 561503100
Клемма -мама
Под заказ 350.18р
192 409003900
Предохранитель 20А
Под заказ 531.30р
205 409011600
Клемма -мама
Под заказ 898.38р
206 409004200
Cosse Femele *terminal-femal.
Под заказ 726.92р
222 409204300
Корпус клеммы -Мама
Под заказ 558.65р
223 515175320
Клемма -мама
Под заказ 949.10р
224 515175321
Клемма -мама
Под заказ 881.48р
225 409202700
Корпус клеммы -Мама
Под заказ 854.91р
248 409004000
Porte Fusible *holder-fuse
Под заказ 982.10р
251 409014200
Зажим
Под заказ 787.29р
253 515175442
Оболочка
Под заказ 644.00р
255 409901800
Tubing - Insulating 13 Mm
Под заказ 284.97р
256 415080000
Защитная оплетка шланга
Под заказ 1'104.00р
257 409901600
Трубка
Под заказ 1'412.20р
258 415079900
Защитная оплетка шланга
Под заказ 400.20р
302 293750001
Стяжка 94 мм
Под заказ 284.97р
307 515175509
Электрическая клемма папа
Под заказ 839.50р
308 515175510
Корпус клеммы -Мама
Под заказ 839.50р
320 515175567
Электрическая клемма мама
Под заказ 1'139.88р
348 278001673
Bloc 2 Circ.mal*housing-tab
Под заказ 3'699.78р
350 278001671
Cale 2 Circ.mal*wedge-2 Ways M
Под заказ 569.94р
355 515175658
Корпус клеммы -Мама
Под заказ 2'651.67р
358 515175665
Электрическая клемма папа
Под заказ 1'124.70р
359 515175666
Электрическая клемма папа
Под заказ 2'299.08р
366 515175673
Bloc 6 Circ.mal*housing-tab
Под заказ 2'299.08р
371 515175678
Cale 6 Circ.mal*wedge-6 Ways M
Под заказ 898.38р
372 515175679
Электрическая клемма мама
Под заказ 1'236.48р
382 515175704
Электрическая клемма мама 12 контакт
Под заказ 3'284.40р
383 515175719
Корпус клеммы -Мама
Под заказ 2'394.30р
387 293550004
Смазка диэлектрическая
Под заказ 8'491.60р
409 515175812
Заглушка
Под заказ 352.59р
410 515175801
Корпус клеммы -Мама
Под заказ 1'586.66р
411 515175802
Фиксатор блока
Под заказ 1'789.52р
412 515175803
Уплотнитель-провода
Под заказ 504.74р
413 515175804
Корпус клеммы -Мама
Под заказ 1'236.48р
415 515175806
Клемма -мама
Под заказ 284.97р
420 414115200
Стяжка 180мм
Под заказ 16.91р
594 515176070
Capuchon Protec*
Под заказ 1'764.70р
900 415079200
Патрубок
Под заказ 1'639.39р



Другие

Система охлаждения

01- crankcase, water pump and oil pump (793 ho)

01- crankshaft and pistons (793 ho)

01- cylinder, exhaust manifold, reed valve (793 ho)

Двигатель 1

Двигатель 2

Глушитель

Система забора воздуха

02- carburetor (800 ho w-o dpm)

02- carburetor (800 ho with dpm)

Топливная система

Масляный бак

03- magneto (12v, 360w) (793 ho) (rer)

03- magneto (12v, 360w) (793 ho) (std)

04- rewind starter (793 ho)

Приводная система

05- pulley system (800 ho)

Тормоза гидравлические

Передняя подвеска

07- front take apart shocks

07- steering system (sport, adrenaline, highmark)

07- steering system (x, highmark x, hm xtreme)

Передний рычаг

Задний рычаг

Задний амортизатор

Задняя подвеска

08- rear take apart shocks

Защита и бампер

09- decals (sport, adrenaline, highmark)

09- decals (x, highmark x, hm xtreme)

09- frame 1

09- frame 2

Капот

Багажник задний

Дооснащение и опции

Сиденье

09- utilities 1

09- utilities 2

Стекло ветровое и консоль

Электрика 1

Электрика 2

10- frame harness

Проводка на руле
 
Бесплатная консультация по подбору запчастей!

Поможем подобрать

  • Комплектующие
  • Аналоги
  • Вариант доставки
Бесплатный подбор запчастей
Бесплатный подбор запчастей Наши консультанты помогут подобрать оригинальную запчасть или аналог, подберут вариант доставки
Самые выгодные цены
Самые выгодные цены Мы официальные дилеры производителей и можем поддерживать низкие цены
Гигантский ассортимент
Гигантский ассортимент Если Вы не нашли интересующую Вас деталь, позвоните - мы привезем ее на заказ!
Гарантия, удобный возврат
Гарантия, удобный возврат На все запчасти действует гарантия производителя. Возврат в течение 14 дней
14
лет
на рынке
10356
проданных
запчастей в месяц
19
брендов
партнеров
16500
товаров
в магазине