Пн-Пт: с 10:00 до 19:00
Сб-Вс: выходной
г. Москва,
Коровинское шоссе, д.1А
Корзина 0 Товаров
Интернет-магазин мотозапчастей

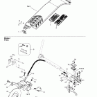
Ручной стартер для Ski-Doo (Bombardier) 2003 Summit 600 HO/700/800 HO

Каталог несет в первую очередь справочную информацию, поэтому обращаем ваше внимание, что наличие деталей в каталоге не означает ее наличие на нашем складе.
Все детали поставляются только под заказ. Срок исполнения заказа 12-15 рабочих дней.
№ рис. Деталь Наличие Цена В корзину
1 420810868
Фланец
Под заказ 11'233.20р
2 420241236
Винт M6 X 16
Под заказ 284.97р
3 420892612
Стартер (вкл.3-14)
Под заказ 24'407.60р
4 420910253
Статор
Под заказ 11'233.20р
5 420939115
Возвратная пружина
Под заказ 4'986.98р
6 420852286
Шкив
Под заказ 10'258.92р
7 412500200
Шнур
Под заказ 736.00р
8 420852292
Собачка
Под заказ 3'923.80р
9 420852305
Замок-собачки
Под заказ 2'134.86р
10 420847926
Втулка
Под заказ 1'978.00р
11 420250400
Кольцо
Под заказ 859.74р
12 420852520
Стопорное кольцо
Под заказ 1'127.00р
13 420845560
Блокиратор
В наличии 284.97р
14 420941256
Винт M6x20
Под заказ 301.88р
15 420899763
Смазка -molykote 54
Под заказ 3'987.17р
3 420892615
Стартер (вкл.3-14)
Под заказ 24'407.60р



Другие

Система охлаждения

Картер , водяной и масляный насос

Коленвал и поршни

Цилиндр,впускной коллектор и мощност. клапан

Опора двигателя

Глушитель

Система забора воздуха

Карбюратор

Топливная система

Масляный бак

03- magneto (12v, 360w)

Ручной стартер

Вариатор (593 HO)

Вариатор (693)

05- drive pulley (793 ho)

Приводная система

05- driven pulley (593 ho, 793 ho)

05- driven pulley (693)

Гидравличиские тормоза

Передняя подвеска и лыжи

07- front take apart shocks

Рулевая система

07- steering system (adrenaline and x)

07- steering system (highmark, highmark x and highmark x extreme)

08- front arm and shock

Задний рычаг

Задняя подвеска

08- rear take apart shocks

Защита и бампер

Капот и передняя консоль

Наклейки

Рама

Багажник задний

Сиденье

09- snow guard and moulding

АКБ

Электрика

10- frame harness
 
Бесплатная консультация по подбору запчастей!

Поможем подобрать

  • Комплектующие
  • Аналоги
  • Вариант доставки
Бесплатный подбор запчастей
Бесплатный подбор запчастей Наши консультанты помогут подобрать оригинальную запчасть или аналог, подберут вариант доставки
Самые выгодные цены
Самые выгодные цены Мы официальные дилеры производителей и можем поддерживать низкие цены
Гигантский ассортимент
Гигантский ассортимент Если Вы не нашли интересующую Вас деталь, позвоните - мы привезем ее на заказ!
Гарантия, удобный возврат
Гарантия, удобный возврат На все запчасти действует гарантия производителя. Возврат в течение 14 дней
14
лет
на рынке
10356
проданных
запчастей в месяц
19
брендов
партнеров
16500
товаров
в магазине