Пн-Пт: с 10:00 до 19:00
Сб-Вс: выходной
г. Москва,
Коровинское шоссе, д.1А
Корзина 0 Товаров
Интернет-магазин мотозапчастей

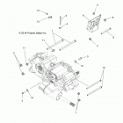
Колесо переднее для Polaris 2015 A15SET57CA/S57CJ/CA 570 EFI/EPS FOREST TRACTOR

Каталог несет в первую очередь справочную информацию, поэтому обращаем ваше внимание, что наличие деталей в каталоге не означает ее наличие на нашем складе.
Все детали поставляются только под заказ. Срок исполнения заказа 12-15 рабочих дней.
№ рис. Деталь Наличие Цена В корзину
1 5414128
Tire-25x8-12, 489, E-mark
Под заказ 22'073.93р
9 7512325
Болт
Под заказ 339.15р
10 7542810
Nut, Slotted
Под заказ 452.87р
11 1525017
Клапан обода
Под заказ 921.69р
12 7547237
Nut-flange, Two Piece, 3/8-24
В наличии 339.15р
2 1520269-067
Rim, Front, 12x6, Black
Под заказ 12'342.40р
3 5413427
Hub-dust Cover
Под заказ 4'039.88р
4 7661404
Шплинт
Под заказ 680.30р
5 7556004
Шайба
Под заказ 1'019.45р
6 5134310
Hub-wheel, Awd, Mach
Под заказ 10'885.10р
7 7518378
Stud-3/8-24x1.38, Press Fit-z
Под заказ 227.43р
8 5244314
Disc, Brake, Front
Под заказ 10'968.51р



Другие

Body, backrest

Крышка картера

Наклейки

Корпус, передний бампер и крепления

Переднее и занее крыло

Топливный бак

Обтекатель передний фары

Body, hitches

Body, mirrors

Заднее крыло, сидение и подножки

Body, rear rack

Body, storage, front

Тормозные шланги

Brakes, brake pedal and master cylinder

Главный торм. цилиндр

Передние колодки

Задние тормозные колодки

Рама

Chassis, seatbelt anchors

Chassis, winch

Передний приводной вал

Передний редуктор

Крепление КПП

Кардан передний

Селектор передачи

Картер КПП

Крепеж КПП

Сцепление

Задний привод

Вторичная муфта сцепления

Электрика,АКБ

Лампа фары

Панель приборов

Жгут проводов

Головные фары

Electrical, ignition coil, wire and spark plug

Электрика ,датчики и переключатели

Задний фонарь

Electrical, turn signals, horn and license plate light

Воздушная система

Двигатель, кулачковая цепь и звездочка

Система охлаждения

Картер

Двигатель, коленчатый вал, поршневой и балансировочный вал

Цилиндр двигателя

Двигатель, головка блока цилиндров, кулачки и клапаны

Глушитель

Двигатель длинный блок

Крепление двигателя

Двигатель, масляный фильтр и измерительный щуп

Маслянный насос

Магнетто ,Стартер

Двигатель, крышка статора и маховик

Двигатель,термостат и крышка

Двигатель, корпус дроссельной заслонки и топливная рампа

Двигатель, крышка клапана

Двигатель, крыльчатка водяного насоса и крышка

Reference, owners manual

Трос дросселя

Steering, eps

Управление, руль и средства управления

Steering, steering lock

Рулевые тяги

Подвеска передняя

Передние аммортизаторы

Подвеска задняя

Стабилизатор

Инструмент

Колесо переднее

Колесо заднее
 
Бесплатная консультация по подбору запчастей!

Поможем подобрать

  • Комплектующие
  • Аналоги
  • Вариант доставки
Бесплатный подбор запчастей
Бесплатный подбор запчастей Наши консультанты помогут подобрать оригинальную запчасть или аналог, подберут вариант доставки
Самые выгодные цены
Самые выгодные цены Мы официальные дилеры производителей и можем поддерживать низкие цены
Гигантский ассортимент
Гигантский ассортимент Если Вы не нашли интересующую Вас деталь, позвоните - мы привезем ее на заказ!
Гарантия, удобный возврат
Гарантия, удобный возврат На все запчасти действует гарантия производителя. Возврат в течение 14 дней
14
лет
на рынке
10356
проданных
запчастей в месяц
19
брендов
партнеров
16500
товаров
в магазине