Пн-Пт: с 10:00 до 19:00
Сб-Вс: выходной
г. Москва,
Коровинское шоссе, д.1А
Корзина 0 Товаров
Интернет-магазин мотозапчастей

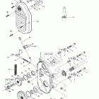
Система забора воздуха для Ski-Doo (Bombardier) 2000 MX Z 700 SB (Black)

Каталог несет в первую очередь справочную информацию, поэтому обращаем ваше внимание, что наличие деталей в каталоге не означает ее наличие на нашем складе.
Все детали поставляются только под заказ. Срок исполнения заказа 12-15 рабочих дней.
№ рис. Деталь Наличие Цена В корзину
1 508000070
Silenc.adm.ass.*intake-air Ass Includes 1 - 7. Mx Z 500. Mx Z 500 Sb (black).
Под заказ 33'709.39р
508000106
Silenc.adm.ass.*intake-air Ass Mx Z 700.
Под заказ 32'464.18р
508000090
Silenc.adm.ass.*intake-air Ass Mx Z 700 Sb. Mx Z 700 Sb (black). Mx Z 700 Sb Millennium Edition.
Под заказ 37'408.47р
2 508000004
Решетка впуска
Под заказ 18'908.30р
3 508000073
Adap.admission *adap-air Intake Mx Z 500. Mx Z 500 Sb (black).
Под заказ 2'049.24р
570068900
Adap.admission *adap-air Intake Mx Z 700. Mx Z 700 Sb. Mx Z 700 Sb (black). Mx Z 700 Sb Millennium Edition.
Под заказ 2'049.24р
4 508000099
Mousse Ext. *foam-lower
Под заказ 2'734.70р
5 508000154
Фильтр воздушный
Под заказ 2'734.70р
6 516000130
Etiquette Att. *caution-label
Под заказ 2.30р
7 570065500
Anneau *grommet Mx Z 700 Sb. Mx Z 700 Sb (black). Mx Z 700 Sb Millennium Edition.
Под заказ 1'913.60р
8 508000046
Bride *clamp Mx Z 500. Mx Z 500 Sb (black).
Под заказ 1'365.29р
508000009
Bride *clamp Mx Z 700. Mx Z 700 Sb. Mx Z 700 Sb (black). Mx Z 700 Sb Millennium Edition.
Под заказ 887.57р
9 293650158
Хомут
Под заказ 1'378.97р
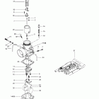
10 403138581
Carb.vm-38 *carb-vm-38 Mx Z 500. Mx Z 500 Sb (black).
Под заказ 45'467.08р
403138622
Carb.vm-40 *carb-vm-40 Mx Z 700.
Под заказ 48'785.02р
403138620
Carb.vm-40 *carb-vm-40 Mx Z 700 Sb. Mx Z 700 Sb (black). Mx Z 700 Sb Millennium Edition.
Под заказ 47'111.69р
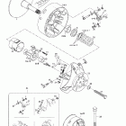
11 512059570
Collecteur Pres*manifold-press Includes 11 - 14. Mx Z 700 Sb. Mx Z 700 Sb (black). Mx Z 700 Sb Millennium Edition.
Под заказ 85'514.00р
12 515175271
Cablage Collect*harness-press.manif. Mx Z 700 Sb. Mx Z 700 Sb (black). Mx Z 700 Sb Millennium Edition.
Под заказ 10'820.52р
13 415061600
Barrure Electr.*lock-solenoid Mx Z 700 Sb. Mx Z 700 Sb (black). Mx Z 700 Sb Millennium Edition.
Под заказ 1'090.20р
14 241140060
Screw-pt.hex.flange K40 X 10 Mx Z 700 Sb. Mx Z 700 Sb (black). Mx Z 700 Sb Millennium Edition.
Под заказ 243.92р
15 512058919
Support *support Mx Z 700 Sb. Mx Z 700 Sb (black). Mx Z 700 Sb Millennium Edition.
Под заказ 1'913.60р
16 415080200
Boyau Polyure *polyurethane Hose Mx Z 700 Sb. Mx Z 700 Sb (black). Mx Z 700 Sb Millennium Edition.
В наличии 784.30р
17 414554800
Bride A Ressort*clamp-spring Mx Z 700 Sb. Mx Z 700 Sb (black). Mx Z 700 Sb Millennium Edition.
Под заказ 284.97р
18 270600000
Capteur Temp. *sensor-air Mx Z 700 Sb. Mx Z 700 Sb (black). Mx Z 700 Sb Millennium Edition.
Под заказ 12'401.03р
19 278001005
Bloc 2 Circ.mal*housing-tab Mx Z 700 Sb. Mx Z 700 Sb (black). Mx Z 700 Sb Millennium Edition.
Под заказ 3'129.84р
20 278000998
Cosse Femelle *terminal-femelle Mx Z 700 Sb. Mx Z 700 Sb (black). Mx Z 700 Sb Millennium Edition.
Под заказ 854.91р
21 278000999
Joint De Fil *seal-wire Mx Z 700 Sb. Mx Z 700 Sb (black). Mx Z 700 Sb Millennium Edition.
Под заказ 531.30р
22 515175332
Gaine Low Temp.vinyl Mx Z 700 Sb. Mx Z 700 Sb (black). Mx Z 700 Sb Millennium Edition.
Под заказ 945.30р
25 409015100
Cosse Femelle *terminal-femal. Mx Z 700 Sb. Mx Z 700 Sb (black). Mx Z 700 Sb Millennium Edition.
Под заказ 734.16р
26 515175303
Bouchon *plug Mx Z 700 Sb. Mx Z 700 Sb (black). Mx Z 700 Sb Millennium Edition.
Под заказ 850.08р
27 409015400
Logement Fem.6c*housing-fem.6c Mx Z 700 Sb. Mx Z 700 Sb (black). Mx Z 700 Sb Millennium Edition.
Под заказ 1'758.12р
28 409014900
Verrou Femelle *lock-female Mx Z 700 Sb. Mx Z 700 Sb (black). Mx Z 700 Sb Millennium Edition.
Под заказ 565.11р
29 404161880
Патрубок
Под заказ 8'406.62р
6 516001191
Etiquette Inst.*inst-label
Под заказ --  



Другие

Система охлаждения

Картер , водяной и масляный насос

01- crankcase, water pump and oil pump 2

Коленвал и поршни

Коленвал и поршни - 2

Цилиндр,впускной коллектор и мощност. клапан

01- cylinder, exhaust manifold, reed valve 2

Крепление двигателя и глушитель

Система забора воздуха

Карбюратор

Карбюратор - 2

Топливная система

Масляный бак

Зажигание

Магнето (12в,290вт)

Ручной стартер

Картер трансмиссии

Привод трака и трак

Вариатор

Ведомый шкив

Гидравличиские тормоза

Передняя подвеска и лыжи

Рулевая система

Передний рычаг

Задний рычаг

Задняя подвеска

Защита и бампер

Капот и передняя консоль

Наклейки

Рама

Сидение

Электрика
 
Бесплатная консультация по подбору запчастей!

Поможем подобрать

  • Комплектующие
  • Аналоги
  • Вариант доставки
Бесплатный подбор запчастей
Бесплатный подбор запчастей Наши консультанты помогут подобрать оригинальную запчасть или аналог, подберут вариант доставки
Самые выгодные цены
Самые выгодные цены Мы официальные дилеры производителей и можем поддерживать низкие цены
Гигантский ассортимент
Гигантский ассортимент Если Вы не нашли интересующую Вас деталь, позвоните - мы привезем ее на заказ!
Гарантия, удобный возврат
Гарантия, удобный возврат На все запчасти действует гарантия производителя. Возврат в течение 14 дней
14
лет
на рынке
10356
проданных
запчастей в месяц
19
брендов
партнеров
16500
товаров
в магазине