Пн-Пт: с 10:00 до 19:00
Сб-Вс: выходной
г. Москва,
Коровинское шоссе, д.1А
Корзина 0 Товаров
Интернет-магазин мотозапчастей

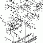
Электрика 1 для Yamaha 1998 BR250TB

Каталог несет в первую очередь справочную информацию, поэтому обращаем ваше внимание, что наличие деталей в каталоге не означает ее наличие на нашем складе.
Все детали поставляются только под заказ. Срок исполнения заказа 12-15 рабочих дней.
№ рис. Деталь Наличие Цена В корзину
1 8AU-85540-00-00
Блок зажигания в сборе
Под заказ 27'606.81р
2 2A7-85546-00-00
Хомут
Под заказ 2'923.46р
3 82M-81910-A0-00
Реле регулятора
Под заказ 20'271.93р
4 95817-06012-00
Болт
Под заказ 213.68р
5 86B-82310-10-00
Катушка зажигания
Под заказ 11'379.17р
6 83Y-82318-00-00
Жгут проводов
Под заказ 1'217.95р
7 98507-06040-00
Винт
Под заказ 322.46р
8 92907-06600-00
Шайба
Под заказ 112.67р
9 95317-06600-00
Гайка
Под заказ 386.56р
10 85G-82370-20-00
Провод высоковольтный
Под заказ 4'135.58р
11 8G5-82372-00-00
Уплотняющая пробка
Под заказ 668.22р
12 8R4-82510-20-00
Замок зажигания
Под заказ 15'623.53р
13 526-82579-00-00
Корпус ключа
Под заказ 1'058.66р
14 8BD-82590-00-00
Жгут проводов
Под заказ 25'254.44р
15 90480-16233-00
Уплотнитель
Под заказ 977.08р
16 90465-08028-00
Зажим
Под заказ 662.39р



Другие

Кожух вентилятора

Дополнительные аксессуары

Alternate electrical

Алтернативные детали двигателя

Тормоза

Бампер, Багажник. Брызговик

Карбюратор

Трос управления

Картер

Коленчатый вал и Поршень

Цилиндр

Электрика 1

Электрика 2

Наклейки

Крепление двигателя

Выхлопная система

Рама

ТОПЛИВНЫЙ БАК

Топливный бак 2

Генератор

Защита кофра

Рулевые переключатели

Фара

Панель приборов

Впускная система

ПРИБОРЫ

МАСЛЯНЫЙ НАСОС

Масляный бак

Вариатор

Привод масляного насоса

Сидение

Вторичный вал

Стекло ветровое

Лыжа

Стартер

Рулевое управление

Кронштейн крепления (паук рулевой)

Задний фонарь

Привод трака 1

Привод трака 2

Подвеска трака 1

Подвеска трака 2
Бесплатная консультация по подбору запчастей!

Поможем подобрать

  • Комплектующие
  • Аналоги
  • Вариант доставки
Бесплатный подбор запчастей
Бесплатный подбор запчастей Наши консультанты помогут подобрать оригинальную запчасть или аналог, подберут вариант доставки
Самые выгодные цены
Самые выгодные цены Мы официальные дилеры производителей и можем поддерживать низкие цены
Гигантский ассортимент
Гигантский ассортимент Если Вы не нашли интересующую Вас деталь, позвоните - мы привезем ее на заказ!
Гарантия, удобный возврат
Гарантия, удобный возврат На все запчасти действует гарантия производителя. Возврат в течение 14 дней
14
лет
на рынке
10356
проданных
запчастей в месяц
19
брендов
партнеров
16500
товаров
в магазине