Пн-Пт: с 10:00 до 19:00
Сб-Вс: выходной
г. Москва,
Коровинское шоссе, д.1А
Корзина 0 Товаров
Интернет-магазин мотозапчастей

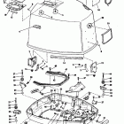
Редуктор для Evinrude 1981 E200TRLCIB

Каталог несет в первую очередь справочную информацию, поэтому обращаем ваше внимание, что наличие деталей в каталоге не означает ее наличие на нашем складе.
Все детали поставляются только под заказ. Срок исполнения заказа 12-15 рабочих дней.
№ рис. Деталь Наличие Цена В корзину
1 0391329
G-case&brg V6 ( Models With Built-in Anode Feature)
Под заказ 104'000.00р
2 0387817
Roller Brg Ay
Под заказ 14'037.40р
3 0324852
Retaining Screw
Под заказ 1'588.60р
4 0321123
Screen, Water Intk
Под заказ 2'337.40р
5 0354731
Уплотнительное кольцо
Под заказ 1'037.40р
6 0439476
Ds Brg Hsg&seal Ay
Под заказ 22'357.40р
7 0321453
Сальник
Под заказ 4'157.40р
8 0301250
Шайба
Под заказ 1'037.40р
9 0316534
Screw Brg Hsg
Под заказ 1'297.40р
10 0389455
Hsg.& Bearing Ay
Под заказ 40'560.00р
11 0915954
Detent
Под заказ 18'717.40р
12 0312870
Пружина
Под заказ 1'297.40р
13 0334163
Cradle-shift
Под заказ 4'937.40р
14 0322938
Shifter-lever
Под заказ 11'697.40р
15 0322941
Shaft-shifter
Под заказ 20'537.40р
16 0320145
Штифт
Под заказ 1'557.40р
17 0305123
Уплотнительное кольцо
Под заказ 777.40р
18 0982416
Prop Shaft
Под заказ 102'141.00р
19 0382408
Bearing Ay, Thrust
Под заказ 2'077.40р
1A 0328096
Screw, Anode ( Models With Built-in Anode Feature)
Под заказ 1'588.60р
1B 0307555
Lockwasher ( Models With Built-in Anode Feature)
Под заказ 1'058.20р
1C 0436745
Anode&insert Ay ( Models With Built-in Anode Feature)
Под заказ 4'157.40р
20 0389042
Thrust Brg-fwd Gr
Под заказ 13'257.40р
21 0321171
Стопорное кольцо
Под заказ 4'773.60р
22 0321174
 
Под заказ --  
24 0387374
Hsg Brg&seal
Под заказ 77'126.40р
25 0382407
Подшипник игольчатый
Под заказ 6'757.40р
26 0387247
Needle Brg Ay
Под заказ 4'508.40р
27 0320862
Уплотнение
Под заказ 3'637.40р
28 0316563
Винт
Под заказ 1'037.40р
29 0317178
Уплотнение
Под заказ 517.40р
30 0314731
Упорная шайба
Под заказ 4'677.40р
31 0314730
Nut Pinion
Под заказ 3'637.40р
32 0983141
See Pricebook
Под заказ --  
33 0387656
Thrust Brg Ay
Под заказ 8'837.40р
34 0327656
Упорная шайба
Под заказ 3'377.40р
35 5000775
Kit Ayd/shaft-20 ( 20 Inch Transom Models Only)
Под заказ 200'834.40р
35 5000776
Kit Ay, D/shaft-25 ( 25 Inch Transom Models Only)
Под заказ 210'649.40р
36 0324407
Shift Rod-long ( 20 Inch Transom Models Only)
Под заказ 25'997.40р
36 0324408
( 25 Inch Transom Models Only)
Под заказ --  
37 0437297
Rev Gear& Shftr Ay
Под заказ 91'257.40р
38 0437297
Rev Gear& Shftr Ay
Под заказ 91'257.40р
39 0313448
Штифт
Под заказ 1'037.40р
40 0324369
Пружина
Под заказ 1'037.40р
41 0307551
Пробка сливная
Под заказ 1'297.40р
42 0311598
Washer-10 Pk
Под заказ 257.40р
43 0314742
 
Под заказ --  
43 0323362
Shim-pinion-003
Под заказ 1'037.40р
43 0323361
Shim-pinion-004
Под заказ 1'297.40р
43 0314745
Shim 005
Под заказ 1'297.40р
44 0397566
Thrust Washer Ay
Под заказ 14'588.60р
45 5006241
Cover Ay, Shift Rod
Под заказ 10'397.40р
46 0318372
Уплотнительное кольцо
Под заказ 517.40р
47 0318544
Drain Screw
Под заказ 5'200.00р
48 0335020
Screw, 1/4-20
Под заказ 1'297.40р
49 0160084
Шарик
Под заказ 1'037.40р
50 0333592
Thrust Bshg
Под заказ 8'486.40р
51 0338484
Gasket, Wtr Pmp 5pk
Под заказ 777.40р
52 0320570
Spacer Prop Nut
Под заказ 4'937.40р
53 0321008
Grommet Exh Hsg
Под заказ 1'037.40р
54 0435027
Cup & Plate Ay
Под заказ 4'417.40р
55 0395072
Imp. Hsg. Kit
Под заказ 10'875.80р
56 0321453
Сальник
Под заказ 4'157.40р
57 0323626
Screw-imp Hsg
Под заказ 517.40р
58 0314008
Уплотнитель резиновый
Под заказ 517.40р
59 0338893
Cover, Impeller Hsg
Под заказ 1'622.40р
60 0338742
Tab, Trim-std
Под заказ 11'437.40р
61 0320943
Уплотнитель резиновый
Под заказ 1'037.40р
62 0310585
Кольцо
Под заказ 262.60р
63 0323950
Key-impeller
Под заказ 3'447.60р
64 0306643
Винт
Под заказ 517.40р
65 0313715
Винт
Под заказ 2'337.40р
66 0321176
Plate, Liner
Под заказ 1'853.80р
67 0398042
Prop Nut & Keeper
Под заказ 2'589.60р
68 0309955
Cotter Pin 10 Pk
Под заказ 257.40р
69 0306314
Lockwasher 4pk
Под заказ 413.40р
70 0313697
Винт
Под заказ 3'377.40р
71 0307708
Стопорная шайба
Под заказ 262.60р
72 0331999
Винт
Под заказ 2'384.20р
73 0321120
Seal Imp Hsg Pl
Под заказ 2'337.40р
74 5001593
Kit Ay, Impeller
Под заказ 10'657.40р
75 0395072
Imp. Hsg. Kit
Под заказ 10'875.80р
76 0321122
Spacer-shift Rod ( 25 Inch Transom Models Only)
Под заказ 2'119.00р
77 0322302
 
Под заказ --  
78 0763453
Prop-al, 15.5 X 13
Под заказ 45'099.60р
78 0765186
Prop Ay, Al 15x15v6
Под заказ 48'097.40р
78 0765187
Prop Ay, Al 14.8x17
Под заказ 48'097.40р
78 0765188
Prop Ay, Al 14.5x19
Под заказ 48'097.40р
78 0765189
Prop Ay, Al 14.3x21
Под заказ 48'097.40р
78 0763470
Prop Al 14.25 X 23
Под заказ 44'904.60р
78 0389925
 
Под заказ 65'000.00р
78 0763918
Vipertbx14.75x19rh
Под заказ 143'517.40р
78 0763922
Vipertbx14.5x21rh
Под заказ 143'517.40р
78 0389019
 
Под заказ --  
78 0387995
 
Под заказ --  
78 0387996
 
Под заказ --  
78 0387997
Prop
Под заказ 78'000.00р
78 0390725
 
Под заказ 45'500.00р
78 0390831
 
Под заказ --  
79 0332394
Converg Ring, V6
Под заказ 4'924.40р
80 0387157
Prop Hub, 15 Spline
Под заказ 16'179.80р
81 5001594
Рем.комплект водяного насоса
Под заказ 19'497.40р
82 0435526
Cup & Plate Ay
Под заказ 39'793.00р
10A 0389039
Brg Ay-fwd Gear
Под заказ 18'717.40р
307853 0307853
Seal, Screw ( Not Shown)
Под заказ 517.40р
311598 0311598
Washer-10 Pk ( Not Shown)
Под заказ 257.40р
389864 0434418
See Pricebook ( 25 Inch Transom Models Only Not Shown Models Without Built-in Anode Feature)
Под заказ 439'049.00р
389865 0434417
See Pricebook ( 20 Inch Transom Models Only Not Shown Models Without Built-in Anode Feature)
Под заказ 426'049.00р
392626 0434417
See Pricebook ( 20 Inch Transom Models Only Not Shown Models With Built-in Anode Feature)
Под заказ 507'975.00р
392627 0434418
See Pricebook ( 25 Inch Transom Models Only Not Shown Models With Built-in Anode Feature)
Под заказ 539'331.00р



Другие

Карбюратор

Коленчатый вал & Поршень

Цилиндр & Картер

Electric starter & solenoid american bosch 08142-23-m030sm

Electric starter prestolite models mjl-4005

Кожух Выхлопа

ТОПЛИВНЫЙ НАСОС

ТОПЛИВНЫЙ БАК

Редуктор

Система зажигания

ВПУСКНОЙ КОЛЛЕКТОР

Motor cover - johnson

Motor cover-evinrude

Paint chart

Power tilt and trim models with "h" suffix only

Power tilt and trim models with "m," "a" or "b" suffix only

МАШИНКА ДИСТАНЦИОННОЕ УПРАВЛЕНИЕ
 
Бесплатная консультация по подбору запчастей!

Поможем подобрать

  • Комплектующие
  • Аналоги
  • Вариант доставки
Бесплатный подбор запчастей
Бесплатный подбор запчастей Наши консультанты помогут подобрать оригинальную запчасть или аналог, подберут вариант доставки
Самые выгодные цены
Самые выгодные цены Мы официальные дилеры производителей и можем поддерживать низкие цены
Гигантский ассортимент
Гигантский ассортимент Если Вы не нашли интересующую Вас деталь, позвоните - мы привезем ее на заказ!
Гарантия, удобный возврат
Гарантия, удобный возврат На все запчасти действует гарантия производителя. Возврат в течение 14 дней
14
лет
на рынке
10356
проданных
запчастей в месяц
19
брендов
партнеров
16500
товаров
в магазине