
|
|
Каталог несет в первую очередь справочную информацию, поэтому обращаем ваше внимание, что наличие деталей в каталоге не означает ее наличие на нашем складе.
Все детали поставляются только под заказ. Срок исполнения заказа 12-15 рабочих дней.
|
![]() Carburetor & manifold |
![]() Коленчатый вал & Поршень |
![]() Цилиндр & Картер |
![]() Кожух Выхлопа |
![]() ТОПЛИВНЫЙ НАСОС |
![]() Fuel tank-6 gallon |
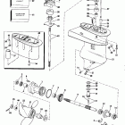
![]() Редуктор |
![]() ГЕНЕРАТОР |
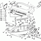
![]() Колпак мотора |
![]() Цвет покраски |
![]() Ручной стартер |
![]() Shorting switch |
![]() Стартер | |||||
Поможем подобрать