Пн-Пт: с 10:00 до 19:00
Сб-Вс: выходной
г. Москва,
Коровинское шоссе, д.1А
Корзина 0 Товаров
Интернет-магазин мотозапчастей

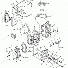
Power Head для Force 1991 H0257E91B

Каталог несет в первую очередь справочную информацию, поэтому обращаем ваше внимание, что наличие деталей в каталоге не означает ее наличие на нашем складе.
Все детали поставляются только под заказ. Срок исполнения заказа 12-15 рабочих дней.
№ рис. Деталь Наличие Цена В корзину
1 F1107
HEAD SCREW, 1/4 - 20 X 3/4
Под заказ 136.40р
2 F458146
SEAL, CRANKSHAFT UPPER MAIN
Под заказ 3'693.80р
3 FA458144
CRANKSHAFT BEARING CAGE
Под заказ 15'103.00р
4 F458277
GASKET, CRANKSHAFT BEARING CAGE
Под заказ 319.00р
5 817833A1
MAGNETO STATOR RING
Под заказ 7'370.00р
7 F1727
PLASTI-RIVET
Под заказ 246.40р
8 F184122-1
SEAL, CRANKCASE PARTING LINE
Под заказ 2'391.40р
9 FA683010
CYLINDER W/CRANKCASE COVER
Под заказ 115'038.00р
- FC683010
SHORT BLOCK.
Под заказ 520'487.00р
10 F1864
HEX HEAD SCREW, 1/4 - 20 x 3/4
Под заказ 239.80р
11 F2005
HEX SOCKET HEAD CAP SCREW, 5/16 - 18 X 2-3/4
Под заказ 462.00р
12 F1689
HEX CAP SCREW, 1/4 - 20 X 1/2
Под заказ 231.00р
13 F460317-1
CLAMP, SOLENOID FOR ELECTRIC START
Под заказ 1'001.00р
14 F2013
HEX SOCKET HEAD CAP SCREW, 5/16 - 18 X 1-1/4
Под заказ 272.80р
15 F85026
SWIVEL, SHIFT INTERLOCK LEVER
Под заказ 7'326.00р
16 F307818
Подшипник
Под заказ 719.40р
17 F458977-3
LEVER, SHIFT INTERLOCK
Под заказ 2'904.00р
18 F84035-2
BEARING, SHIFT INTERLOCK ROD
Под заказ 737.00р
19 F84026
SWIVEL, SHIFT INTERLOCK BEARING
Под заказ 937.20р
20 817805A1
ROD, SHIFT INTERLOCK LITERATURE
Под заказ 2'684.00р
21 F98273
ROD END CONNECTOR STUD
Под заказ 2'039.40р
22 F8058
INTERNAL TOOTH LOCKWASHER
Под заказ 182.60р
23 F7004
LOCK NUT, 3/8 - 16
Под заказ 765.60р
24 F269052
BEARING SHIFT LEVER
Под заказ 382.80р
25 817808A2
LEVER, GEAR SHIFT
Под заказ 3'080.00р
26 F1513
HEX NUT, 10 - 32
Под заказ 292.60р
27 F1922
HEX HEAD SCREW, 1/4 - 20 X 5/8
Под заказ 169.40р
28 F440209
STUD, GEAR SHIFT LEVER
Под заказ 798.60р
29 F2014
PLAIN WASHER
Под заказ 239.80р
30 F458727
BALL, SHIFT LEVER DETENT
Под заказ 308.00р
31 F183300
SPRING, SHIFT DETENT
Под заказ 396.00р
32 F1922
HEX CAP SCREW, 1/4 - 20 X 5/8
Под заказ 169.40р
33 FA659222
TRANSFER PORT COVER
Под заказ 16'302.00р
34 817741A1
VALVE CHECK
Под заказ 902.00р
35 F429811
SCREEN, CYLINDER DRAIN
Под заказ 99.00р
36 F458223
GASKET, TRANSFER PORT COVER
Под заказ 814.00р
37 F513529
Прокладка
Под заказ 6'210.60р
38 817843A1
Головка цилиндра
Под заказ 16'709.00р
39 F458109
PLUG, CYLINDER HEAD
Под заказ 594.00р
40 F1739
PLAIN WASHER (ELECTRIC START)
Под заказ 231.00р
41 F458936
SCREW, CYLINDER HEAD
Под заказ 268.40р
42 82370M
SPARK PLUG (L82C)
Под заказ 770.00р
43 F1854
HEX CAP SCREW, 1/4 - 20 X 5/8
Под заказ 239.80р
44 F458066
Крышка термостата
Под заказ 2'805.00р
45 F458067
GASKET, THERMOSTAT COVER
Под заказ 325.60р
46 FG1014-1
Комплет прокладок
Под заказ 24'906.20р
- F84792
GASKET, FUEL PUMP VALVE
Под заказ 127.60р
- F433168
GASKET, CARBURETOR ADAPTER
Под заказ 299.20р
- F433406
GASKET, DEFLECTOR PLATE
Под заказ 554.40р
- F438617
GASKET, FUEL PUMP BOWL
Под заказ 1'023.00р
- F438760
Прокладка
Под заказ 921.80р
- F458067
GASKET, THERMOSTAT COVER
Под заказ 325.60р
- F458154
GASKET, EXHAUST PORT PLATE
Под заказ 1'243.00р
- F458223
GASKET, TRANSFER PORT COVER
Под заказ 814.00р
- F458277
GASKET, CRANKSHAFT BEARING CAGE
Под заказ 319.00р
- F458279
GASKET, CYLINDER EXHAUST
Под заказ 1'755.60р
- F458453
GASKET, LEG EXHAUST
Под заказ 1'738.00р
- F513529
Прокладка
Под заказ 6'210.60р
- F85906
Прокладка карбюратора
Под заказ 162.80р
- F683279
GASKET, CYLINDER EXHAUST
Под заказ 787.60р
47 F8559
Палец
Под заказ 365.20р
48 F458154
GASKET, EXHAUST PORT PLATE
Под заказ 1'243.00р
49 F458151
EXHAUST PORT PLATE
Под заказ 9'251.00р
50 F458152-1
EXHAUST PORT COVER
Под заказ 11'605.00р
51 F1532
HEX HEAD SCREW, 1/4 - 20 X 1
Под заказ 242.00р
52 F1341
HEX NUT
Под заказ 292.60р
53 F1072
HEAD SCREW, 1/4 - 20 X 1-3/4
Под заказ 347.60р
54 F286440
STUD, MAGNETO CONTROL LEVER
Под заказ 1'414.60р
55 F183813
Подшипник
Под заказ 814.00р
56 F2A458081
MAGNETO CONTROL LEVER
Под заказ 4'037.00р
57 F286282
Шайба
Под заказ 358.60р
58 F1803
STOP NUT
Под заказ 396.00р
59 8177471
JOINT, BALL ASSEMBLY
Под заказ 2'530.00р
60 F458502
ROD, THROTTLE CAM
Под заказ 1'128.60р
61 F458509
LINK, MAGNETO STATOR
Под заказ 1'375.00р
62 F7008
LOCK NUT
Под заказ 178.20р
63 F269319
BEARING, THROTTLE CAM
Под заказ 431.20р
64 F458192
THROTTLE CAM
Под заказ 2'840.20р
65 F433209-1
STUD, THROTTLE CAM
Под заказ 1'557.60р



Другие

Аксессуары

Карбюратор

Crankshaft And Piston Group

Электрический стартер

Электрика

КАПОТ ДВИГАТЕЛЯ

ТОПЛИВНЫЙ НАСОС

Fuel Tank And Line

Gear Housing

Зажигание

Motor Leg

Overheat Buzzer

Power Head

Reed Plate

МАШИНКА ДИСТАНЦИОННОЕ УПРАВЛЕНИЕ

Spacer Plate

Special Tools - Lower Unit

Special Tools - Lubricants And Sealants

Special Tools - Power Head

Special Tools - Test Equipment

Support Plate

Swivel Bracket And Stern Brackets
 
Бесплатная консультация по подбору запчастей!

Поможем подобрать

  • Комплектующие
  • Аналоги
  • Вариант доставки
Бесплатный подбор запчастей
Бесплатный подбор запчастей Наши консультанты помогут подобрать оригинальную запчасть или аналог, подберут вариант доставки
Самые выгодные цены
Самые выгодные цены Мы официальные дилеры производителей и можем поддерживать низкие цены
Гигантский ассортимент
Гигантский ассортимент Если Вы не нашли интересующую Вас деталь, позвоните - мы привезем ее на заказ!
Гарантия, удобный возврат
Гарантия, удобный возврат На все запчасти действует гарантия производителя. Возврат в течение 14 дней
14
лет
на рынке
10356
проданных
запчастей в месяц
19
брендов
партнеров
16500
товаров
в магазине