Пн-Пт: с 10:00 до 19:00
Сб-Вс: выходной
г. Москва,
Коровинское шоссе, д.1А
Корзина 0 Товаров
Интернет-магазин мотозапчастей

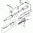
Carburetor (88b Thru 89a Models) для Force 1989 H0053F89B

Каталог несет в первую очередь справочную информацию, поэтому обращаем ваше внимание, что наличие деталей в каталоге не означает ее наличие на нашем складе.
Все детали поставляются только под заказ. Срок исполнения заказа 12-15 рабочих дней.
№ рис. Деталь Наличие Цена В корзину
1 F702061
CARBURETOR (LMB-237)
Под заказ 29'876.00р
2 F10075
SPRING, THROTTLE RETURN
Под заказ 198.00р
3 F10059
SHAFT, THROTTLE
Под заказ 2'162.60р
4 5902
SCREW, SHUTTER
Под заказ 563.20р
5 F10091
SHUTTER, THROTTLE
Под заказ 374.00р
6 F10170
VALVE ASSEMBLY
Под заказ 1'238.60р
7 F10277
Форсунка, главная
Под заказ 2'356.20р
8 F10276
SEAT ASSEMBLY, CHECK VALVE
Под заказ 1'447.60р
9 F10066
Прокладка уплотнительная клапана
Под заказ 288.20р
10 F10068
GASKET, FUEL BOWL
Под заказ 481.80р
11 8155
BOWL, FUEL
Под заказ 3'575.00р
13 F10090
GASKET, FUEL BOWL
Под заказ 382.80р
14 F10064
Палец
Под заказ 314.60р
15 5904
SPRING, FLOAT
Под заказ 1'339.80р
16 5898
FLOAT, FUEL BOWL
Под заказ 6'215.00р
17 F10061
SHAFT, CHOKE
Под заказ 1'199.00р
18 F10072
SPRING, CHOKE STOP
Под заказ 209.00р
19 F10077
NEEDLE, IDLE
Под заказ 1'300.20р
20 F10070
SCREW, SHUTTER
Под заказ 132.00р
21 F10062
VALVE, CHOKE
Под заказ 316.80р
22 F10073
SPRING, IDLE NEEDLE
Под заказ 220.00р
-- F10278
PLUG, WELCH
Под заказ 292.60р
-- F10152
PLUG, CUP
Под заказ 303.60р
23 F521708
COVER, CARBURETOR
Под заказ 781.00р
24 F1064
SCREW (8-32 X 3/8)
Под заказ 127.60р
25 23836
LOCKWASHER (#8 INTERNAL)
Под заказ 156.20р
26 20890
NUT (1/4-20)
Под заказ 178.20р
27 F521906
Прокладка карбюратора
Под заказ 209.00р
28 FK10280
REPAIR KIT, CARBURETOR
Под заказ 7'176.40р
29 FK10281
GASKET SET, CARBURETOR
Под заказ 1'064.80р



Другие

* Model Index *

Bottom Cowl And Support Plate (90a Thru 92b)

Bottom Cowl And Support Plate(88b Thru 89b Models)

Carburetor (88b Thru 89a Models)

Carburetor (89b Thru 92b)

Carburetor And Reed Plate (88a Models)

Crankshaft And Piston (88b Thru 92b)

Cylinder Block (88b Thru 92b)

Driveshaft Hoousing (all Models)

Fuel Pump (88b Thru 92b)

Fuel Tank And Line (88b Thru 92b)

Fuel Tank And Line (plastic - 3.2 Gallon)

Gear Housing (all Models)

Intake System (88b Thru 90a Models)

Intake System (90b Thru 92b)

ГЕНЕРАТОР

Magneto (88a Models)

Magneto (88b Thru 89a Models)

Magneto (89b Thru 92b)

Miscellaneous Engine Parts

Powerhead And Support Plate (88a Models)

Shift Linkage (all Models)

Starter Rewiind (88a Thru 89a Models)

Starter Rewind (89b Thru 92b)

Steering Hamdle-twist Grip Throtle (88b Thru 92b)

Swivel Bracket-clamp Bracket (all Models)

Tools - Special

Top Cowl & Fuel Tank (88a Models)

Top Cowl (88b Thru 92b)
 
Бесплатная консультация по подбору запчастей!

Поможем подобрать

  • Комплектующие
  • Аналоги
  • Вариант доставки
Бесплатный подбор запчастей
Бесплатный подбор запчастей Наши консультанты помогут подобрать оригинальную запчасть или аналог, подберут вариант доставки
Самые выгодные цены
Самые выгодные цены Мы официальные дилеры производителей и можем поддерживать низкие цены
Гигантский ассортимент
Гигантский ассортимент Если Вы не нашли интересующую Вас деталь, позвоните - мы привезем ее на заказ!
Гарантия, удобный возврат
Гарантия, удобный возврат На все запчасти действует гарантия производителя. Возврат в течение 14 дней
14
лет
на рынке
10356
проданных
запчастей в месяц
19
брендов
партнеров
16500
товаров
в магазине