Пн-Пт: с 10:00 до 19:00
Сб-Вс: выходной
г. Москва,
Коровинское шоссе, д.1А
Корзина 0 Товаров
Интернет-магазин мотозапчастей

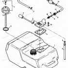
Reed Plate And Primer для Force 1990 H1208F90A

Каталог несет в первую очередь справочную информацию, поэтому обращаем ваше внимание, что наличие деталей в каталоге не означает ее наличие на нашем складе.
Все детали поставляются только под заказ. Срок исполнения заказа 12-15 рабочих дней.
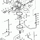
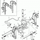
№ рис. Деталь Наличие Цена В корзину
1 817799A1
ADAPTER ASSEMBLY-UPPER
Под заказ 13'807.20р
1 817800A1
ADAPTER ASSEMBLY-LOWER
Под заказ 15'153.60р
2 826387
STUD (3/8-16 X 1-5/8) WITH DRI LOC
Под заказ 798.60р
3 826389
STUD (1/4-20 X 1) WITH DRI LOC
Под заказ 1'557.60р
4 817736
HOSE (6)
Под заказ 1'603.80р
5 86226
NUT (3/8-16)
Под заказ 338.80р
6 F440906
GASKET-CARBURETOR
Под заказ 290.40р
13 F1532
SCREW (1/4-20 X 7/8)
Под заказ 242.00р
14 819776
BRACKET-INTERLOCK
Под заказ 2'211.00р
15 F1532
SCREW (1/4-20 X 1)
Под заказ 242.00р
16 F84449
SWITCH-INTERLOCK
Под заказ 2'552.00р
17 F2016
SCREW (6-32 X 7/8)
Под заказ 116.60р
18 27882
Шайба
Под заказ 165.00р
19 69080
SCREW (6-32 X 1/4)
Под заказ 239.80р
20 F1704
LOCKWASHER (#6 INT)
Под заказ 136.40р
21 F372958
BRACKET-CHOKE
Под заказ 4'114.00р
22 F85317-3
CLAMP-CHOKE
Под заказ 1'265.00р
23 98253
SCREW (1/4-20 X 1/2)
Под заказ 132.00р
24 F500894
POINTER-TIMING
Под заказ 605.00р
25 F178168-1
GASKET-CARBURETOR ADAPTER
Под заказ 761.20р
26 820501
PLATE-DEFLECTOR
Под заказ 3'566.20р
27 826380
SCREW (1/4-20 X 5/8) WITH DRI LOC
Под заказ 116.60р
28 F406406
GASKET-DEFLECTOR PLATE
Под заказ 495.00р
29 11645
REED PLATE ASSY
Под заказ 18'315.00р
29A 818108A1
REED PLATE ASSEMBLY
Под заказ 15'400.00р
30 F530160
REED (5 PETAL)
Под заказ 2'655.40р
31 F523451
Проставка
Под заказ 532.40р
32 F85161-1
STOP-REED
Под заказ 682.00р
33 F2293
SCREW (6-32 X 5/16)
Под заказ 127.60р
34 819705
BRACKET-SOLENOID
Под заказ 781.00р
35 F694359
Проставка
Под заказ 1'188.00р
36 819503
SOLENOID-PRIMER
Под заказ 30'104.80р
37 F694504
Уплотнитель резиновый
Под заказ 737.00р
38 35044
Шайба
Под заказ 239.80р
39 28636
SCREW (1/4-20 X 3/4)
Под заказ 239.80р
40 814101
NUT (1/4-20)
Под заказ 292.60р
41 F694922
FITTING-TEE
Под заказ 246.40р
45 F2030
SCREW (1/4-20 X 1-1/4)
Под заказ 303.60р
- 56762
CABLE TIE (4)
Под заказ 22.00р
- FG1026-2
POWERHEAD GASKET SET
Под заказ 36'456.20р
- 820726A1
POWERHEAD GASKET SET
Под заказ 28'921.20р
- 818154A12
POWERHEAD ASSEMBLY
Под заказ 851'114.00р
- FK10023
CARB. GASKET SET
Под заказ 888.80р



Другие

Нижняя часть колпака

Carburetor (0e009500 - 0e093699)

Carburetor (90a,92c)

Коленвал и поршни

БЛОК ЦИЛИНДРОВ

Design I - Power Trim Unit With Bayonet Connectors

Design Ii - Power Trim Unit With Bullet Connectors

Design Iii - Power Trim Unit With Bullet Connectors

Дейвуд

Электрика

Flared Hub Props

Fuel Pump Assembly (0e065372 - 0e093699)

Fuel Pump Assembly (90a,92c)

Fuel Tank And Line (90a ,92c)

Fuel Tank And Line (plastic - 6.6 Gallon)

Gear Housing

Gear Shift Linkage (0e009500 - 0e093699)

Gear Shift Linkage (90a,92c)

Ignition Components (90a,91c)

Ignition Components (91d,92c)

Miscellaneous Engine Parts

Overheat Buzzer

Pump-motor Kit

Recirculation System (0e065372 - 0e093699)

Recirculation System (90a,92c)

Reed Plate And Primer

Remote Control (90a,92c)

Стартер

Комплект Тяги рулевого механизма

Swivel Bracket-stern Brackets

ТЕРМОСТАТ

Tilt Cylinder & Motor & Pump (design I)

Tools - Special

Верхняя часть колпака

Towershaft And Throttle Linkage (0e009500 - 0e093699)

Towershaft And Throttle Linkage (90a,92c)

ЦИЛИНДР НАКЛОНА
 
Бесплатная консультация по подбору запчастей!

Поможем подобрать

  • Комплектующие
  • Аналоги
  • Вариант доставки
Бесплатный подбор запчастей
Бесплатный подбор запчастей Наши консультанты помогут подобрать оригинальную запчасть или аналог, подберут вариант доставки
Самые выгодные цены
Самые выгодные цены Мы официальные дилеры производителей и можем поддерживать низкие цены
Гигантский ассортимент
Гигантский ассортимент Если Вы не нашли интересующую Вас деталь, позвоните - мы привезем ее на заказ!
Гарантия, удобный возврат
Гарантия, удобный возврат На все запчасти действует гарантия производителя. Возврат в течение 14 дней
14
лет
на рынке
10356
проданных
запчастей в месяц
19
брендов
партнеров
16500
товаров
в магазине